Incremental optical rotary encoders with 1500 ppr can be used for robots, workbenches, injection molding machines, electronic equipment, printing and packaging machinery, non-standard equipment and CNC machine, a variety of office automation systems, industrial automation control and measurement fields.
Specification
| Basics |
Model |
ATO-KP4408G-1500BM |
| Weight |
100g |
| Wiring |
Color |
Red |
Black |
Green |
White |
Yellow |
Brown |
Gray |
Orange |
| Signal |
Vcc |
GND |
A |
B |
Z |
A- |
B- |
Z- |
| Mechanical properties |
Maximum shaft speed (r/min) |
5000 |
| Starting torque |
<0.03Nm (25°C) |
| Maximum shaft load |
Radial load: 35N, axial load: 15N |
| Shock resistance |
50G/11ms |
| Anti-vibration |
10G (10~2000Hz) |
| Rotational inertia |
4X10-8kgm2 |
| Operating temperature |
-30~+85°C (-22~+185℉) |
| Storage temperature |
-35~+95°C (-31~+203℉) |
| Protection Level |
IP51 |
| Electrical characteristics |
Output circuit |
Open-collector output |
Voltage output |
Push-pull output |
Line driver output |
| Supply voltage Vcc |
DC 5V±0.2 |
DC 5~24V |
DC 5V±0.2 |
DC 5~24V |
DC 5V±0.2 |
DC 5~24V |
DC5V±0.2 |
DC 5~24V |
| Current consumption |
≤60mA |
≤60mA |
≤60mA |
≤100mA |
| Output high level |
≥3.5V |
≥Vcc-2.5V |
- |
- |
≥2.5V |
≥Vcc-2.5V |
| Output low level |
≤0.5V |
≤0.5V |
- |
- |
≤0.5V |
≤1.0V |
| Rise time Tr |
≤500ns |
≤1500ns |
- |
- |
≤200ns |
≤500ns |
| Fall time Tf |
≤100ns |
≤300ns |
- |
- |
≤200ns |
≤200ns |
| Maximum frequency response |
0~150kHz |
0~150kHz |
0~150kHz |
0~150kHz |
0~150kHz |
0~150kHz |
Model Selection
| Shaft type |
Diameter of shell |
Diameter of shaft |
Connection type |
Cable length * |
Resolution |
Production identifier |
Z signal |
Z signal wavelength |
Output mode * |
Voltage * |
| KP: Blind shaft |
44: 44mm |
08: 8mm |
G: Cable edge output |
1: 1m 2: 2m 3: 3m 4: 4m |
1500: 1500 ppr |
B |
M: Output 1 if receiving Z signal |
Default: 1T |
C: Open-collector NPN CP: Open-collector PNP T: Voltage output NPN+R P: Push-pull output NPN+PNP L: Line driver 26LS31 K: Line driver 7272 |
5: +5VDC 830: +8~30VDC |
Note: * denotes optional parameters, you can select parameters in drop-down lists to finish your order. Some customizable parameters can't be selected from the lists directly, please contact customer service staff for further communication.
Features
- The encoder adopts a special ASIC chip inside, which is stable and reliable in signal processing and ensures accurate output pulse.
- The overall structure is durable, long life, suitable for long time high frequency operation of industrial occasions.
- Incremental encoder has excellent anti-interference performance, can work stably in complex electromagnetic environment.
- Compact and lightweight, suitable for automation equipment with limited installation space.
- Modular design, easy installation, fast and efficient commissioning.
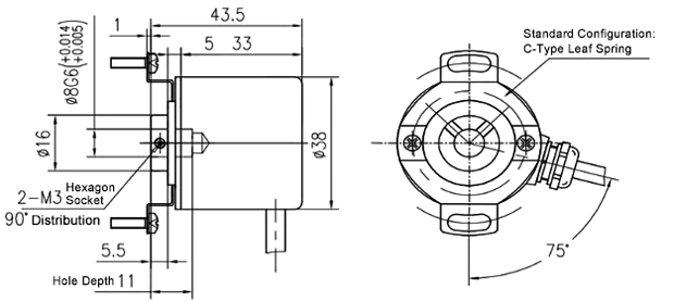
Dimension (unit: mm)

Application

Tips: What are the use of A and B channels?
The A- and B- channels are the inverse of the A and B channels. It means that when signal A is high, signal A- is low, and when A is low, A- is high. This usually minimizes noise. Some inputs accept both A and A- signals and then compare the two signals to help eliminate common-mode noise propagating on the wires. The received pulse can only be acknowledged if signal A is high and signal A- is low. This applies to any channel with complementary signals, signal A is only an example. This is commonly referred to as differential output.