ATO hydraulic orbital motor is widely applied in agriculture machinery, fishing machinery, plastic industry, mining, and construction machinery, especially fitted to lower load applications, such as plastic injection mold machines, cleaners, grass cutters, winches, conveyors, slews, sweeper drives, augers, cutters, mowers and chippers.
Specification
| Model |
ATO-OMP-250 |
| Shaft Type (Optional) |
Flat Key, Splined |
| Flange Type (Optional) |
2 Bolts, 4 Bolts |
| Displacement |
250 cc/rev (250 cm3/rev) |
| Working Pressure |
15 MPa |
| Flow |
Continuous |
57 LPM |
| Intermittent |
68 LPM |
| Max.Speed |
Continuous |
235 rpm |
| Intermittent |
281 rpm |
| Pressure |
Continuous |
100 ∆Bar |
| Intermittent |
124 ∆Bar |
| Torque |
Continuous |
304 Nm |
| Intermittent |
378 Nm |
| Weight |
8kg |
Note:
- A simultaneous maximum torque and maximum speed are not recommended.
- ∆Bar refers to true pressure difference between inlet port and outlet port.
- Continuous Rating means that the motor may be run continuously at these ratings.
- Intermittent operation refers to that the motor running time must not exceed 10% per minute under this condition.
*To assure the best orbital motor life, run it for approximately one hour at 30% of rated pressure before application to full load. Be sure this motor is filled with fluid before any load applications.
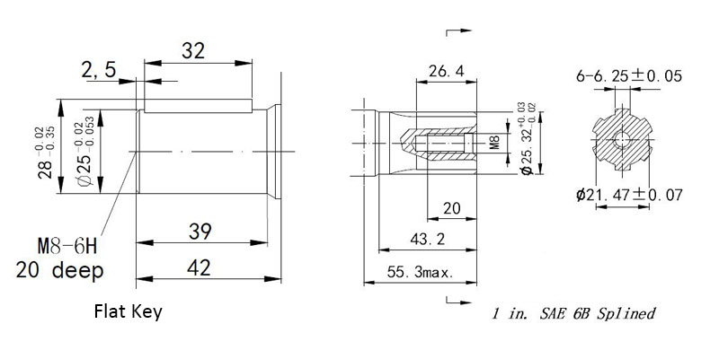
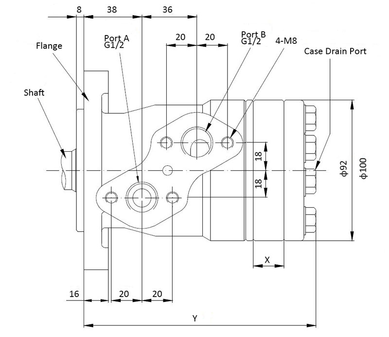
Dimensions (Unit: mm)

L1=176mm
Hydraulic Orbital Motor Shaft (Unit: mm)

Flange Types (Unit: mm)


L=182mm
Details

Tips: Troubleshooting of hydraulic orbital motor
| Failures |
Reasons |
Solutions |
| Hydraulic orbital motor temperature is too high |
Overloaded |
Load as required |
| The parts are damaged, especially the stator |
Replace damaged parts |
| Excessive noise |
The hydraulic system has air |
Exclude the air in the system according to the operation precautions |
| Overspeed |
Adjust motor speed |
| Parts are damaged |
Replace damaged parts |
| Oil leakage at the shaft end |
Damaged or scratched sealing ring |
Replace the sealing ring |
| Dirt or water in the input end causes the shaft to rust |
Remove spline rust |
| Excessive radial load |
The radial load shall not exceed the specified value |
| Excessive back pressure |
Connect to external drain pipe |
| Oil leakage on both sides of the stator |
O ring is damaged |
Replace the sealing ring |
| Dirt or burrs on the joint surface |
Disassemble, clean and deburr |
| Back cover bolts are not tight |
Tighten the bolts |
| Shaft does not rotate |
Work device stuck |
Check working device |
| System problem |
Check the system |
| Large radial axial load |
Check installation |
| Insufficient torque |
The oil temperature is too high or the oil viscosity is too low |
Enhanced cooling |
| The motor efficiency is reduced due to the wear of the rotor or the small linkage shaft |
Replace worn parts |