24V DC brushed vibration motor is equipped with a variable speed controller, rated current 6.67A, force 200kg and frequency 3000rpm. Waterproof 100W brushed vibrating electric motor can be used for outdoors.
Specifications
| Model |
ATO-PUTA200DC-24 |
| Voltage |
24V |
| Current |
6.67A |
| Power |
160W |
| Speed |
3000rpm |
| Force |
200kg, 2KN |
| Protection Level |
IP65 (Dustproof and Waterproof) |
| Insulation Grade |
F (The Highest Heat Resistant Temperature is 155℃) |
| Weight |
6.5kg |
Notes: The brushed DC vibration motor requires a controller to operate. If you have not purchased our controller before, it is recommended to place an order with the controller.
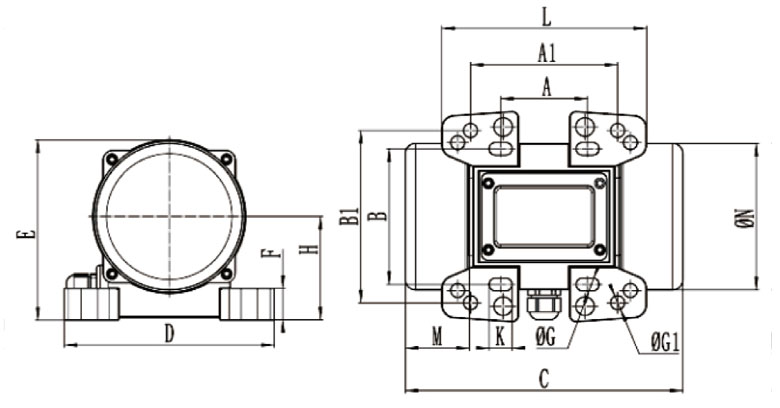
Dimension (Unit: mm)

| Frame No. |
A |
A2 |
B |
B2 |
C |
D |
E |
F |
G |
H |
I |
L |
M |
N |
Lead connection |
| 23 |
60-74 |
0 |
106 |
0 |
218 |
104 |
140 |
25 |
Φ9 |
82 |
116 |
123 |
53 |
110 |
M20*1.5 |
Internal Structure

Applications
ATO 160W 24V micro brushed DC vibration electric motor is an ideal vibration source and excitation source for various vibration motors such as vibration conveyors, feeders, drying equipment, screening equipment, sand machines, vibration tables, etc., widely used in metallurgy, mining, coal, chemical, electric power, building materials, casting, abrasives, ceramics, glass, food and other industries.

Tips: Can the DC brushed vibration motor overheat if it runs continuously?
Yes, like any electric motor, a DC brushed vibration motor can overheat if used continuously without proper cooling. This is especially important when the motor is running at higher speeds for extended periods, as friction and electrical resistance generate heat.
Thermal protection: Some motors come with built-in thermal protection, but it's still important to monitor operating conditions to ensure the motor doesn't overheat.
Duty cycle: Check the manufacturer's data for recommended duty cycles (e.g., 30 minutes on, 10 minutes off). If running continuously, consider using a motor with a higher power rating or additional cooling.