Economical price pneumatic vane air motor with 3000 watt, maximum torque rotate speed 300 rpm, it can be operated in the tough environment which is damp, high-heat, excessive dust and other poor working environment.
Specification
| Model |
Operation Data |
Maximum Torque |
Weight |
Installation Method |
Color |
Certification |
Warranty |
| Power |
Torque |
Rotate Speed |
Air Consumption |
Rotate Speed |
Torque |
| hp |
kW |
Nm |
lb.in |
rpm |
m³/ h |
cfm |
rpm |
Nm |
lb.in |
kg |
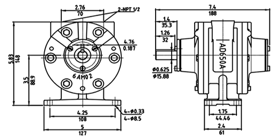
| ATO-HX6AM-H |
4 |
3 |
10 |
84 |
3000 |
228 |
128 |
300 |
13 |
115 |
7.7 |
Foot Mounting |
Gray |
CE |
12 months |
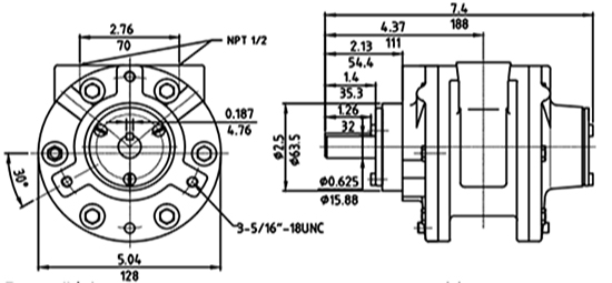
| ATO-HX6AM-V |
7.2 |
Face Mounting |
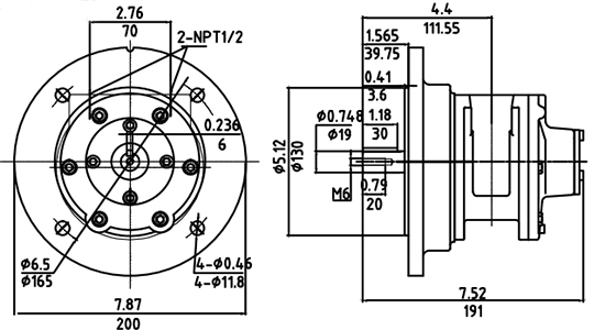
| ATO-HX6AM-F110 |
10 |
IEC Flange |
Dimension (unit=inch/mm)



Details

Tips: The Application of Pneumatic Vane Air Motor.
1. Power drive, high torque drive, high speed drive.
2. Cutting processing (drilling, milling, tapping, grinding, polishing, chamfering, deburring, etc.),
3. Assembly and assembly (tightening assembly, packing, riveting.)
4. It can be used for all kinds of machines and machinery:
Printing, packaging machinery, capping machines, food and beverage machinery, filling machines, machine tools, pipe dredging machines, machines for flammable and explosive environments, mixers, beveling machines, balers, pumps, blowers, winches, winches, Valve drive, mobile platform, road spraying machine, material handling production line, assembly and tightening unit, conveyor belt, indexing table, cutting, wind saw, tapping machine, ship, woodworking, petroleum, mining, papermaking, petrochemical machinery, etc.
5. It can be used with various functional institutions:
Propulsion mechanism, numerical control system, positioning system, robot or manipulator, torque control system, speed control system, various sensors, various accessories, various functional components.