600W pneumatic vane air motor for sales, three kinds of installation methods can be chosen, gray color. It can be operated in the tough environment which is damp, high-heat, excessive dust and other poor working environment.
Specification
| Model |
Operation Data |
Maximum Torque |
Weight |
Installation Method |
Color |
Certification |
Warranty |
| Power |
Torque |
Rotate Speed |
Air Consumption |
Rotate Speed |
Torque |
| hp |
kW |
Nm |
lb.in |
rpm |
m³/ h |
cfm |
rpm |
Nm |
lb.in |
kg |
| ATO-HX2AM-H |
0.93 |
0.6 |
2.2 |
19.5 |
3000 |
49.5 |
30 |
350 |
3.05 |
26.1 |
2.6 |
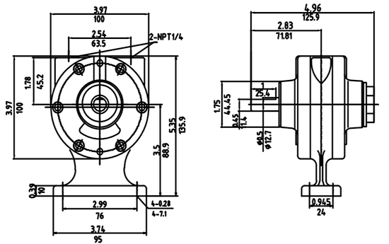
Foot Mounting |
Gray |
CE |
12 months |
| ATO-HX2AM-V |
2.8 |
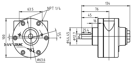
Hub & Face Mounting |
| ATO-HX2AM-F110 |
3.7 |
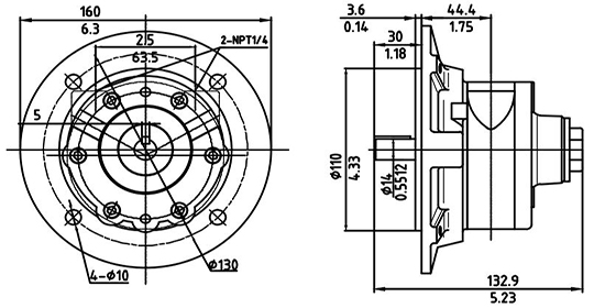
IEC Flange |
Dimension (unit=inch/mm)



Details

Tips: Why Choose Pneumatic Vane Air Motor?
Pneumatic motors are different from other power sources in many aspects. When selecting a pneumatic motor to complete a specific job, the working characteristics of the pneumatic motor must be considered. The power and pressure of the pneumatic motor can be easily changed by adjusting the air supply flow and pressure of the intake pipe. Rotating speed. The general principle for selecting a pneumatic motor is: the model should be able to meet the required power and torque when only 2/3 of the air supply pressure of the pipeline is used, and the pressure of the pipeline can cope with the overload and starting situation. The air supply pressure and speed of the output power and speed pipeline will affect the output power of the air motor.
Torque and speed
1. When the load increases, the speed of the air motor will decrease, and its torque will increase accordingly to match the load. The torque will continue to increase until the locked-rotor state, and then the locked-rotor state will be maintained without damaging the air motor. The air motor is not allowed to rotate at high speed for a long time without load.
2. When the load is reduced, the speed of the air motor will increase, and its torque will be reduced to match the reduced load.
3. When the load acting on the air motor increases or decreases, the speed can be controlled by increasing the pressure of the air source.
4. The starting torque of the air motor is lower than the running torque, which can provide a smooth, shock-free starting. If there is a heavy load starting, additional air supply pressure must be provided.
Air consumption and speed
As the speed and air pressure increase, the air consumption will increase.