Low price 0~10V signal isolator for sale online, 4~20mA/0~20mA/0~5V/1~5V/2~10V input/output signal is also available. Photoelectric isolation technology, response time <400ms, accuracy 0.1%FS (20℃), and 35mm DIN Rail Installation, analog signal isolator is widely used for signal isolation/conversion/distribution of Sensors, DCS systems, electrical cabinets, PLC cabinets, and paperless recorders.
Specifications
- Model: ATO-SIN-1001S
- Input Signal: 4~20mA, 0~20mA, 0~5V, 1~5V, 0~10V, 2~10V
- Input Resistance: Current Impedance≤100Ω
- Input Current: ≤30mA
- Distribution Voltage: ≥20V@20mA
- Output Signal: 0~20mA, 4~20mA, 0~5V, 1~5V, 0~10V, 2~10V
- Output Load: 4~20mA, 0~20mA, Load Resistance RL≤550Ω; 0~5V, 1~5V, 0~10V, 2~10V, Load Resistance RL≥1MΩ
- Power Supply: DC 20~35V
- Power Consumption: Single Output Power Consumption: ≤0.8W; Dual Output Power Consumption: ≤1.4W
- Dielectric Strength: 1500V AC (1 min, No Spark)
- Operating Temperature: -20~60℃
- Relative Humidity: 25%~85%
- Storage Temperature: -20~60℃
- Temperature Drift: ≤50ppm
- Installation Method: 35mm DIN Rail Installation
- Transmission Accuracy: 0.1%FS (20℃)
- Response Time: ≤400ms
- Compatibility: Comply with GB/T18268 Industrial Equipment Application Requirements (IEC 61326-1)
- Applicable Equipment: Two-wire and Three-wire Transmitters, DC Current Sources
Dimensions (Unit: mm)

Installation

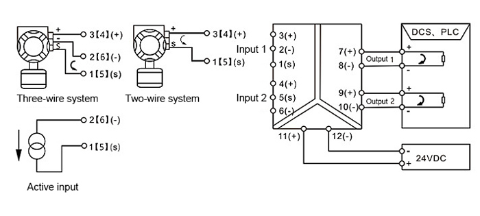
Wiring

Applications
ATO analog signal isolators are commonly used in industrial automation, process control, power distribution, and any application where electronic signals need to be transmitted between components that operate at different electrical potentials.

Tips: Can signal isolators improve system reliability?
Yes, signal isolators significantly enhance system reliability. By providing electrical separation between components, they prevent issues like ground loops and interference, ensuring accurate signal transmission. In industrial settings, where diverse equipment often operates at different potentials, signal isolators safeguard sensitive components from potential damage caused by voltage variations. Their use minimizes the risk of disruptions and enhances the overall stability and performance of electronic systems. In critical applications, such as process control and power distribution, signal isolators contribute to system integrity, helping meet safety standards and regulatory requirements. Overall, the implementation of signal isolators is a crucial strategy to improve the reliability of electronic systems, mitigating the impact of electrical disturbances and promoting consistent and accurate signal communication.