Factory price molded circuit breaker with 50 kA short circuit interrupting capacity, max. rated surrent 400A, IP 20 protection grade. Mccb breaker has advantages of high reliability, low failure rate, long overhaul period and low maintenance workload.
Molded Case Circuit Breaker Information
- Model: ATO-MCCB-ABE-403b
- Max. rated Current: 400 amp
- Rated Voltage: 380/415V AC, 50Hz/ 60Hz
- Number of poles: Three pole
- 50 kA short circuit interrupting capacity
Specification
| Standard Certifications |
IEC60947 |
GB14048 |
| Electrical Parameters |
Model |
ATO-ABE-403b |
| Rated Current |
250A, 300A, 350A, 400A |
| Numbers of Poles |
3 Pole |
| Rated Operating Voltage |
400V |
| Rated Insulated Voltage (Ui) |
800V |
| Rated Frequency |
50Hz/ 60Hz |
| Ultimate Short Circuit Breaking Capacity, Icu |
DC |
125V |
20kA |
| 250V |
10kA |
| AC 50Hz/ 60Hz |
230V |
35kA |
| 380V |
30kA |
| 415V |
25kA |
| 440V |
25kA |
| 480V |
18kA |
| 600V |
18kA |
| Mechanical Parameters |
Electrical Life |
1500 times |
| Mechanical Life |
8500 times |
| Protection Degree |
IP20 |
| Operating Temperature |
-25℃~+50℃ |
| Weight |
7.5kg |
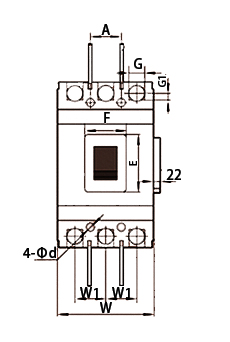
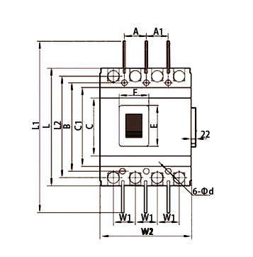
Dimension (Unit: mm)
| Model |
Dimensions |
Mounting Dimensions |
| C |
C1 |
E |
F |
G |
G1 |
H |
H1 |
H2 |
H3 |
H4 |
H5 |
L |
L1 |
L2 |
W |
W1 |
W2 |
A |
B |
Φd |
| ATO-ABE-403b |
128 |
174 |
89 |
66 |
31 |
12 |
107 |
162 |
38 |
6 |
5 |
4.5 |
257 |
459 |
224 |
150 |
48 |
195 |
44 |
194 |
7 |
Details

Tips: Troubleshooting of Molded Case Circuit Breaker.
If there is no short circuit or direct grounding in the system, and the relay protection does not act, the circuit breaker will automatically trip, which is called "mistrip" of the circuit breaker. The analysis, judgment and treatment of "misjumping" are generally divided into the following three steps.
1. According to the following characteristics of the accident phenomenon, it can be judged as "misjumping".
(1) Before the trip, the meter and signal indicate normal, indicating that there is no short-circuit fault in the system.
(2) After the trip, the green light flashes continuously and the red light goes out. The ammeter and active and reactive power meters of the circuit breaker circuit indicate zero.
2. Find out the reasons and deal with them separately.
(1) If the protection panel is automatically tripped due to accidental touch, misoperation, or mechanical vibration caused by external force vibration, the cause of the switch failure should be eliminated and the power should be sent immediately.
(2) For other electrical or mechanical part failures, and the power transmission cannot be restored immediately, the dispatcher and relevant leaders should be contacted to stop the "mistrip" circuit breaker and transfer it to overhaul.
3. Check and analyze electrical and mechanical faults of the "false trip" circuit breakers.
(1) The causes of electrical faults include:
a. Protection malfunction or improper positioning, or current and voltage transformer loop failure;
b. The insulation of the secondary circuit is poor, and the DC system is grounded at two points (the trip circuit is grounded at two points).
(2) The causes of mechanical failures include:
a. The closing maintenance bracket and the opening lock cannot be maintained, causing a trip;
b. Hydraulic machinery a branch gate valve and check valve at the first level of poor sealing, leakage, should have been closed to maintain the oil supply from the hole to the upper end of the second valve in order to maintain the broken senator in the closed position, but when the amount of oil leakage exceeds the amount of supplementary oil, the pressure at the upper and lower ends of the second valve caused by different. When the pressure in the upper part of the second stage of the study is less than the pressure in the lower part, the second stage valve will automatically return, and the return of the second stage valve will cause the work cylinder to close the high pressure oil in the cavity to drain, so that the circuit breaker tripped.