ATO hall effect angle sensor is powered by 9V~36V power supply, with reverse and anti-pulse peak voltage protection function, suitable for water, oil, gas, vibration, shock and other harsh industrial environment.
Specification
| Model |
ATO-LW126C |
ATO-HW226C |
| Full Range Precision |
±0.3° |
±0.1° |
| Temperature Drift |
±0.0015°/°C |
| Sensitivity Temperature Coefficient |
<150ppm/°C |
| Measuring Range |
0~30°, 0~60°, 0~90°, 0~180°, 0~270°, 0~360° (Optional) |
| Output Signal |
RS232, TTL, RS485, Modbus (Optional) |
| Output Load |
240Ω |
| Voltage Input |
9-36V DC |
| Typical Voltage |
12V |
| Sampling Frequency |
1KHz |
| Linearity |
0.5%-0.15% |
| High Vibration Resistance |
>20000g |
| Frequency Response |
100Hz |
| Angle Resolution |
0.022° |
| Full Range Accuracy |
±0.3° |
| Operating Temperature |
-40°C~+85°C |
| Storage Temperature |
-55°C~+100°C |
| Power-on Startup Time |
0.2s |
| Response Time |
0.01s |
| Average Operation Time |
≥55000 Hour/Time |
| Cable |
with 1.5m length shielded cable 3*0.3mm2 |
| Power Reverse Protection |
40mV |
| Signal Reverse Protection |
40mV |
| Running Torque |
<10mN·m |
| Material |
Shell: Aluminum alloy oxidation Back Cover: Stainless steel Shaft: Stainless steel |
| Protection Grade |
IP66 |
| Weight |
1kg |
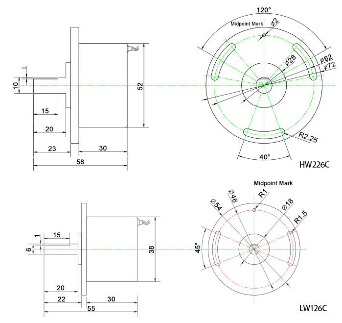
Dimensions (Unit: mm)

Wiring Diagram

| Electrical Connection |
Line Color Function |
| 1 |
2 |
3 |
4 |
5 |
| Red |
White |
Black |
Green |
Yellow |
| RS232 |
VCC |
NC |
GND |
RXD |
TXD |
| RS485 |
VCC |
NC |
GND |
(B, D-) |
(A, D+) |
| TTL |
VCC |
NC |
GND |
RXD |
TXD |
Installation Methods

Working Principle

The angle sensor utilizes the Hall principle with a high-precision core control unit that detects changes in angle primarily by internally mounting a grating on a shaft that rotates and cuts a magnetic field. Using Triaeis™ (triaxial Hall) technology independent sensor chip as the core design of a programmable angle sensor. The angle is derived by amplifying, filtering and converting the capacitance.
Applications

Tips: Angle sensor for car
The car steering angle sensor is used to detect the rotation angle and steering direction of the steering wheel. The steering wheel turning left or right will be detected by the steering angle sensor, so that the car's electronic control unit will issue the correct steering command. The turning angle of the steering wheel is to provide the basis for the car to realize the steering range, so that the car can drive according to the driver's steering intention.
The steering angle sensor is composed of a photoelectric coupling element and a slotted plate. The photoelectric coupling elements are light-emitting diodes and phototransistors. The slotted plate is placed between the light-emitting diode and the phototransistor. The slotted plate has many small holes.
When the steering wheel rotates, the slotted plate will follow the rotation. The phototransistor operates according to the light passing through the slotted plate and outputs a digital pulse signal. The car's electronic control unit uses this signal to identify the steering angle, direction of rotation and speed of the steering wheel.