Right-angle planetary speed reducer or gearbox has ratios ranging from 3:1 to 20:1 at stage 1, with high transmission efficiency, tha maximun up to 95%; it is square flange design, simple mounting and can be matched with servo motor, stepper motor and so on.
Specifications
| Model |
ATO-ZBR |
| Stage |
1 |
| Specifications |
Ratio |
060ZBR |
090ZBR |
115ZBR |
142ZBR |
180ZBR |
| Rated Output Torque(Nm) |
3 |
36 |
90 |
195 |
342 |
588 |
| 4 |
48 |
120 |
260 |
520 |
1040 |
| 5 |
60 |
150 |
325 |
650 |
1200 |
| 6 |
55 |
150 |
310 |
600 |
1100 |
| 7 |
50 |
140 |
300 |
550 |
1100 |
| 8 |
45 |
120 |
260 |
500 |
1000 |
| 9 |
40 |
100 |
230 |
450 |
900 |
| 10 |
40 |
100 |
230 |
450 |
900 |
| 14 |
42 |
140 |
300 |
550 |
1100 |
| 20 |
40 |
100 |
230 |
450 |
900 |
| Emergency Stop Torque(Nm) |
3~200 |
3 times Rated Output Torque |
| Rated Input Speed(rpm) |
3-200 |
5000 |
4000 |
4000 |
3000 |
3000 |
| Maximum Input Speed(rpm) |
3-200 |
10000 |
8000 |
8000 |
6000 |
6000 |
| Ultra-Precision Return Accuracy P0(arcmin) |
3~20 |
- |
≤2 |
≤2 |
≤2 |
≤2 |
| Precision Return Accuracy P1(arcmin) |
3~20 |
≤4 |
≤4 |
≤4 |
≤4 |
≤4 |
| Standard Return Accuracy P2(arcmin) |
3~20 |
≤6 |
≤6 |
≤6 |
95 |
≤6 |
| Torsional Rigidity (Nm/arcmin) |
3-200 |
7 |
14 |
25 |
50 |
145 |
| Allowable Radial Force(N) |
3-200 |
1530 |
3250 |
6700 |
9400 |
14500 |
| Allowable Axial Force(N) |
3-200 |
630 |
1300 |
3000 |
4000 |
6200 |
| Allowable Axial Force(N) |
3-200 |
765 |
1625 |
3350 |
4700 |
7250 |
| Service Life(hr) |
3-200 |
20000 |
| Efficiency(%) |
3~20 |
≥95% |
| Weight(kg) |
3~20 |
2.1 |
6.4 |
13 |
24.5 |
51 |
| Operating Temperature (℃) |
3~200 |
-10℃~+90℃ |
| Lubrication |
3-200 |
Synthetic Grease |
| Protection Level |
3-200 |
IP65 |
| Installation Direction |
3~200 |
Any Direction |
Noise Value at a Distance of 1m(dB(A) (n1, =3000rpm, No Load) |
3~200 |
≤63 |
≤65 |
≤68 |
≤70 |
≤72 |
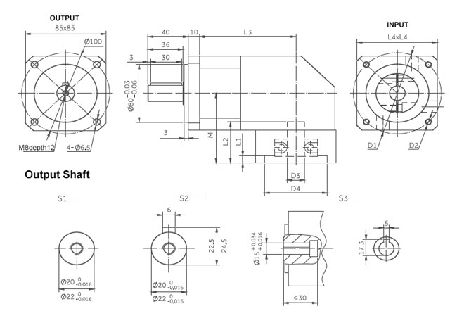
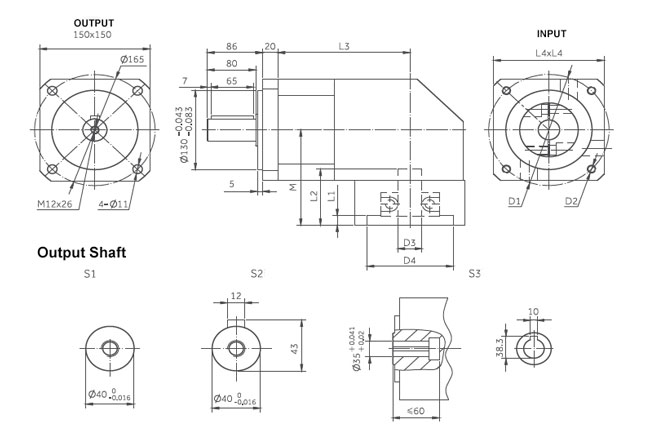
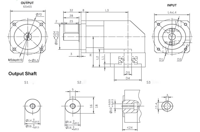
Note: Please contact us for the corresponding drawings before placing your order!
Moment of Inertia of the Planetary Gearbox
| Specifications |
Stage |
Ratio |
060ZBR |
090ZBR |
115ZBR |
142ZBR |
180ZBR |
| Moment of Inertia (kg.cm2) |
1 |
3~10 |
0.35 |
2.25 |
6.84 |
23.4 |
68.9 |
| 14 |
0.07 |
1.87 |
6.25 |
21.8 |
65.6 |
| 20 |
0.07 |
1.87 |
6.25 |
21.8 |
65.6 |
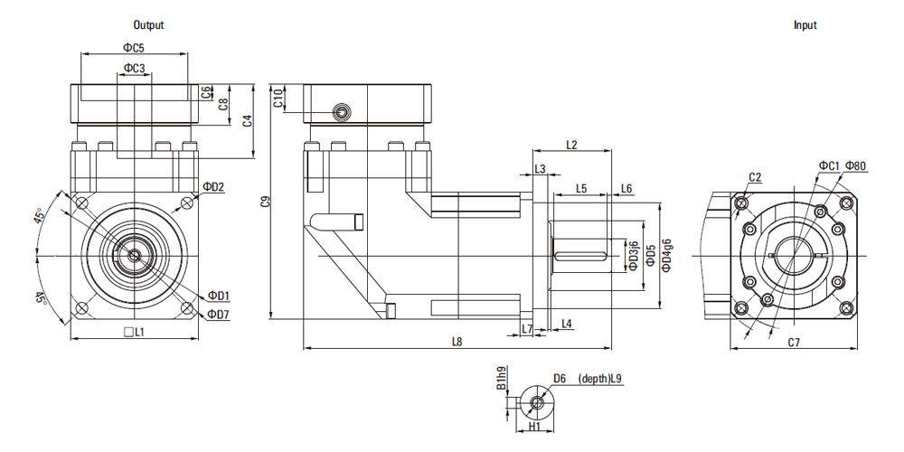
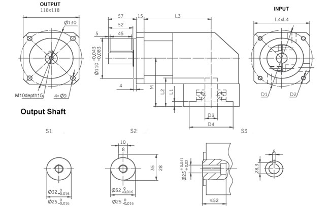
Dimension (Unit: mm)

| Size |
060ZBR |
090ZBR |
115ZBR |
142ZBR |
180ZBR |
| D1 |
70 |
100 |
130 |
165 |
215 |
| D2 |
5.5 |
6.6 |
9 |
11 |
13 |
| D3 |
16 |
22 |
32 |
40 |
55 |
| D4 |
50 |
80 |
110 |
130 |
160 |
| D5 |
45 |
65 |
95 |
75 |
95 |
| D6 |
M5x0.8P |
M8x1.25P |
M12x1.75P |
M16x2P |
M20x2.5P |
| D7 |
80 |
116 |
152 |
185 |
240 |
| L1 |
60 |
90 |
115 |
142 |
180 |
| L2 |
37 |
48 |
65 |
97 |
105 |
| L3 |
7 |
10 |
12 |
15 |
20 |
| L4 |
1.5 |
1.5 |
2 |
3 |
3 |
| L5 |
25 |
32 |
40 |
63 |
70 |
| L6 |
2 |
3 |
5 |
5 |
6 |
| L7 |
6 |
8 |
10 |
12 |
15 |
| L8 |
145 |
203 |
259 |
333 |
394 |
| L9 |
12.5 |
19 |
28 |
36 |
42 |
| C1 |
70 |
100 |
130 |
165 |
215 |
| C2 |
M5x0.8P |
M6x1P |
M8x1.25P |
M10x1.5P |
M12x1.75P |
| C4 |
≤14/≤16 |
≤19/≤24 |
≤32 |
≤38 |
≤48 |
| C5 |
30 |
40 |
50 |
60 |
85 |
| C7 |
50 |
80 |
110 |
130 |
180 |
| C8 |
8 |
90 |
5 |
6 |
6 |
| C9 |
60 |
17 |
115 |
142 |
190 |
| C10 |
19 |
152.5 |
19.5 |
22.5 |
29 |
| B1 |
111.5 |
10.75 |
191.5 |
235.5 |
303.5 |
| H1 |
13.5 |
6 |
13 |
15 |
20.75 |
Tips: Planetary speed reducer structure and characteristics
The main transmission structure of the planetary speed reducer is planet gears, sun gear and ring gear. Because of its own structure, the gear ratio of planetary speed reducer is at least 3:1 at the single stage and generally no higher than 10:1. The grade of the reducer is also no more than the 3-stage generally, but some can customize the 4-stage reducer with large ratio. Compared with other reducers, the planetary speed reducers have the characteristics of high stiffness, high precision (within 1 arcmin at single stage), high transmission efficiency (97%-98% at single stage), high torque/size proportion, free maintenance for life long and so on. Due to these characteristics, the planetary speed reducers are mostly installed on the stepper motors and servo motors to reduce the rotational speed, increase the torque and match the inertia. The rated input speed of the planetary speed reducer can reach a maximum of 18000rpm, which is related to the size of the reducer itself, that is a bigger size of reducer brings a lower rated input speed). The operating temperature is usually about -25℃ to 100℃ and its working temperature can be changed through altering the lubrication grease.