24V DC electromagnetic disc brake for crane, static torque 400Nm, 200Nm, 100Nm, 6Nm is available, it has the advantages of compact structure, simple operation, responsiveness, reliable use and easy remote control.
Specification:
| Model |
ATO-FBD-006 |
ATO-FBD-015 |
ATO-FBD-025 |
ATO-FBD-050 |
ATO-FBD-100 |
ATO-FBD-200 |
ATO-FBD-400 |
| Static Torque [kgf-m](N-m) |
0.6 (6) |
1.5 (15) |
2.5 (25) |
5.0 (50) |
10 (100) |
20 (200) |
40 (400) |
| Dynamic Torque [kgf-m](N-m) |
0.5 (5) |
1.0 (10) |
2.0 (20) |
4.0 (40) |
8 (80) |
16 (160) |
32 (320) |
| Rated Voltage |
DC 24V |
| Power (W) at DC 24V, 20℃, no load |
11 |
15 |
20 |
25 |
35 |
45 |
60 |
| Weight (kg) |
0.28 |
0.5 |
0.91 |
1.68 |
3.15 |
5.9 |
10.5 |
| Maximum Speed (r/min) |
1800 |
| Document |
Download Electromagnetic Brake Installation Manual |
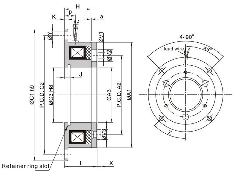
Electromagnetic Brake Dimension (Unit=mm)

| Model |
ATO-FBD-006 |
ATO-FBD-015 |
ATO-FBD-025 |
ATO-FBD-050 |
ATO-FBD-100 |
ATO-FBD-200 |
ATO-FBD-400 |
| Radius |
A1 |
63 |
80 |
100 |
125 |
160 |
200 |
250 |
| A2 |
46 |
60 |
76 |
95 |
120 |
158 |
210 |
| A3 (Hole Dimension) |
34.5 |
41.5 |
51.5 |
61.5 |
79.5 |
99.5 |
124.5 |
| C1 |
80 |
100 |
125 |
150 |
190 |
230 |
290 |
| C2 |
72 |
90 |
112 |
137 |
175 |
215 |
270 |
| C3 |
35 |
42 |
52 |
62 |
80 |
100 |
125 |
| V1 |
3-3.1 |
3-4.1 |
3-5.1 |
3-6.1 |
3-8.1 |
3-10.2 |
3-12.2 |
| V2 |
3-6.3 |
3-8 |
3-10.5 |
3-12 |
3-15 |
3-18 |
4-22 |
| V3 |
3-6 |
3-7 |
3-9 |
3-10.5 |
3-14 |
3-17 |
4-19 |
| E |
26 |
31 |
41 |
49 |
65 |
83 |
105 |
| Y |
5 |
6 |
7 |
7 |
9.5 |
9.5 |
11.5 |
| Shaft |
H |
18 |
20 |
22 |
24 |
26 |
30 |
35 |
| J |
3.5 |
4.3 |
5 |
5.5 |
6 |
7 |
8 |
| K |
2 |
2.5 |
3 |
3.5 |
4 |
5 |
6 |
| L |
22 |
24.5 |
28 |
31 |
35 |
41.5 |
48 |
| L1 |
37 |
44.5 |
53 |
61 |
73 |
86.5 |
102 |
| L2 |
25.5 |
28.5 |
33 |
37 |
42 |
50.5 |
59 |
| M |
15 |
20 |
25 |
30 |
38 |
45 |
54 |
| P |
7.5 |
8 |
9 |
9 |
11.5 |
13 |
15.5 |
| T |
6 |
8 |
10 |
12 |
15 |
18 |
22 |
| X |
1.5 |
1.8 |
2.1 |
2.8 |
3.4 |
4.5 |
5.1 |
| Z |
6-60° |
8-45° |
| m |
2-M4 |
2-M5 |
2-M6 |
2-M8 |
2-M10 |
| a |
0.2(±0.05) |
0.3+0.05-0.1 |
0.5-0-0.2 |
Tips: Electromagnetic brake applications
1. Packaging and packaging machinery: such as packaging machines, strapping machines, packaging machinery, etc.
2. Metal processing machinery: such as calender, wire drawing machine, punching machine, welding machine, copper wall iron wall returning machine, cutting machine, pipe making machine, winding machine, etc.
3. Mechanical work: lathe, milling machine, automatic CNC bed, special machine, etc.
4. Handling machinery: cranes, feeders, conveyors, coilers, winches, etc.
5. Paper machinery: bag making machine, carton machine, breaker, book machine, cutting machine, paper machine, etc.
6. Printing machinery: rotary machine, feed printing machine, etc.

Tips: The difference between magnetic powder clutch and electromagnetic clutch
Both the magnetic powder clutch and the electromagnetic clutch can be used to transmit torque. They all operate with a DC 24V current. They have many similarities, but they are different. They work differently and the working environment is different. Let's take a look at what they have.
The magnetic powder clutch uses the magnetic powder in the working chamber as the working medium, and the magnetic powder gradually fails with the use time. After the magnetic powder performance is greatly reduced, a new magnetic powder needs to be replaced, the small hole above the magnetic powder clutch is opened, the magnetic powder in the working chamber is poured out, and a new magnetic powder is added. Magnetic powder replacement needs to be handled by professionals, it is not very simple, otherwise it is easy to go wrong.
The electromagnetic clutch relies on the energization and power-off of the coil to control the combination and separation. The starting torque is large, the clutch speed is fast, and the action response is fast. It is convenient to realize automatic control and remote control, and adjust the magnitude of the transmission torque by changing the excitation current. The magnetic powder clutch transmits torque by the bonding force between the magnetic powder and the friction between the magnetic powder and the working surface. Mainly used for smooth joint, high frequency, need to adjust the starting time, automatically adjust the torque, speed or maintain constant torque transfer, need overload protection system.