Low price gas sensor can monitor Propane (C3H8) and smoke simultaneously, is highly sensitive to liquefied petroleum gas (LPG), and can operate in smoke concentrations ranging from 200ppm to 10,000ppm.
Specifications
| Model |
ATO-MP-2 |
| Product Type |
Semiconductor Gas Sensor |
| Standard Package |
Metal Cap |
| Detect Gas |
Propane, Smoke |
| Detection Concentration |
200~10000ppm C3H3 |
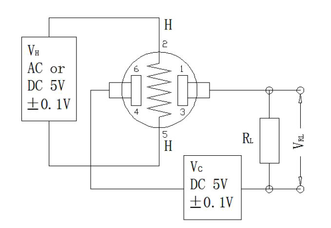
| Standard Circuit Conditions |
Loop Voltage |
VC |
≤10V DC |
| Heating Voltage |
VH |
5.0V±0.1V AC or DC |
| Load Resistance |
RL |
Adjustable |
| Gas Sensor Characteristics Under Standard Test Conditions |
Heating Resistor |
RH |
105±10Ω (Room Temperature) |
| Heating Power Consumption |
PH |
≤240mW |
| Sensitivity |
S |
RS(in air)/RS (in 2000ppm C3H3)≥3 |
| Output Voltage |
VS |
2.5V~4. 0V (in 2000ppm C3H3) |
| Concentration Slope |
α |
≤0. 6 (R300ppm/R500ppm C3H3) |
| Standard Test Conditions |
Working Humidity |
-10~50℃ |
| Storage Humidity |
-10~70℃ |
| Preheat Time |
Not Less Than 48h |
| Oxygen Concentration |
21% (Not less than 18%. Changes in oxygen concentration affect sensor sensitivity characteristics.) |
| Life |
10 Years |
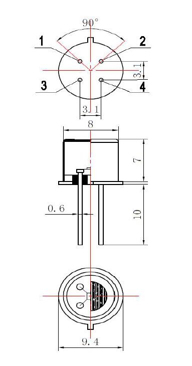
Structural Diagram

Circuit Diagram

Tips: What is a smoke gas sensor?
A smoke gas sensor is a device designed to detect the presence of smoke or combustion gases in the air. Its primary function is to monitor indoor or outdoor environments for potential fire hazards and provide an early warning system to prevent or mitigate the risks associated with fires. These sensors are crucial components in various safety systems, including fire alarms and security systems.
The sensor operates on the principle of detecting particles or gases produced during combustion. There are different types of smoke gas sensors, including ionization and photoelectric sensors. Ionization sensors work by ionizing air particles, while photoelectric sensors use light beams to detect smoke particles. Some advanced smoke sensors combine both technologies for enhanced accuracy and reliability.
In the event of a fire, the sensor triggers an alarm or alert, notifying occupants and relevant authorities about the potential danger. Smoke gas sensors are commonly found in residential buildings, commercial spaces, and industrial facilities, providing an essential layer of protection against the destructive consequences of fires. Regular maintenance and testing of these sensors are crucial to ensure their effectiveness in safeguarding lives and property.