Cost-effective analog inductive sensor with 15-30VDC voltage, load current ≥4.7KΩ (voltage output) ≤470Ω (current output), detection range 2-10mm/ 3-15mm. The inductive proximity sensor is widely used in displacement measurement, thickness measurement, material differentiation and other fields.
Specification
| Model |
ATO-LE40SZ |
| Installation type |
Flush |
Non-flush |
| Rated distance |
10mm |
15mm |
| Detection range |
2-10mm |
3-15mm |
| Switching frequency |
100Hz |
50Hz |
| Standard target |
Fe 40*40*1t |
Fe 45*45*1t |
| Analog signal output |
0-10V/ 0-20mA/ 4-20mA/ 0-10V+0-20mA |
| Connection type |
M12 connector |
| Diameter |
M12 |
| Supply Voltage |
15-30VDC |
| Switch-point drifts |
≤±10%/ Sr |
| Linearity |
≤±5% |
| Repeat accuracy |
≤±3% |
| Load current |
≥4.7KΩ (voltage output) ≤470Ω (current output) |
| Current consumption |
≤20mA |
| Loop protection |
Reverse polarity protection |
| Power indicator |
Yellow LED |
| Ambient temperature |
-25℃-70℃ |
| Ambient humidity |
35-95% RH |
| Voltage withstand |
1000V/ AC 50/ 60Hz 60s |
| Insulation resistance |
≥50MΩ (500VDC) |
| Vibration resistant |
Complex amplitude 1.5mm 10-50Hz (X, Y, Z directions for 2 hours each) |
| Protection class |
IP67 |
| Housing material |
PBT |
| Certificates |
CE, UL,CCC, ROHS |
| Warranty |
12 months |
Dimension (unit: mm)
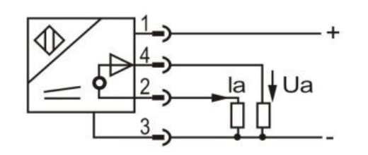
Wiring diagram


0-10V 0-10V+ 0-20mA

0-20mA/ 4-20mA
Tips: Principle of analog output proximity sensor
An analog output inductive proximity sensor operates based on the principle of electromagnetic induction. When a conductive metal object approaches the sensor’s detection area, it disturbs the electromagnetic field generated by the internal coil, creating eddy currents in the target. These changes affect the coil’s impedance, which the sensor’s circuitry interprets and converts into a continuous analog signal—typically a voltage (e.g., 0–10V) or current (e.g., 4–20mA).
Unlike standard proximity sensors that provide only ON/OFF signals, analog proximity sensors offer variable output proportional to the distance of the target object. This allows for precise position measurement and real-time distance monitoring, making them ideal for high-accuracy applications such as automated positioning, metal thickness sensing, air blower control, and robotic arm systems in industrial environments.