100A 3-phase 3-wire single-stage EMI power line filter with excellent attenuation performance is widely used in the industrial automation equipment, such as 3 phase motor drives, printing equipment, packaging equipment, textile equipment, industrial air conditioners, UPS and so on.
Specification
| Model |
ATO-MT710-100 |
| Filter Type |
EMI |
| Configuration |
Single Stage |
| Rated Current @ 40℃ |
100A |
| Rated Voltage |
250/440V AC |
| Operating Frequency |
50/60Hz |
| Phase |
Three Phase Three Wire |
| Leakage Current |
≤10mA @ 250V AC 50Hz 20℃ |
| Filter Range |
150KHz-30MHz |
| Hipot Rating (one minute) |
Line to Line |
1450V DC |
| Line to Ground |
2250V DC |
| Climatic Category |
25/085/21 |
| Working Temperature |
-25°C~+85°C |
| Output Termainal |
Threaded stud M8 |
| Weight |
3kg |
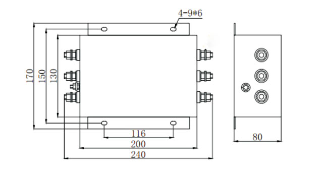
| Dimension |
See below |
Dimensions (Unit: mm)

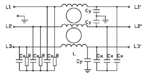
Electrical Schematic

Insertion Loss Table (in 50Ω system acccording to IEC/CISPR No.17)


Tips: Difference between Reactors and Filters
A filter is a network with selection for frequency. It can allow AC electricity at certain frequency band to pass through smoothly, and have much attenuation for AC electricity at other frequency band.
The line reactor is an air core coil with non-magnetic material. It has three assembling type according to requirement, that is vertical, horizontal and delta shape. When short circuit happens in power system, it will generate big value short current. Without restraining, it will be difficult to keep electrical equipment dynamic stable and heat stable. Therefore, in order to satisfy breaking capacity requirement of some circuit breaker, usually connect reactor in series at outgoing circuit breaker position, to increase short-circuit impedance and restrain short-circuit current.
As a result of using a reactor, when short circuit occurs, reactor voltage drop is large and it plays a role of maintaining bus line voltage level to make the voltage in small fluctuation, which guarantees electrical equipment work stably in non-fault line. In all, passive filter is composed of reactor, capacitor, sometimes resistor required. That is, reactor is only an element of filter. Of course for low pass filter (wave resistance) or high pass filter (trapping wave), they could be composed of single reactor. Reactor can be used in filter, also for resonant loop, output reactive current, limit current etc.