This gas sensor has a high sensitivity for detecting ozone in the range of 10ppb to 1000ppb. It is an ideal choice for household Ozone concentration exceeding alarm alarms, industrial Ozone concentration exceeding alarm alarms, and portable Ozone concentration detectors.
Specifications
| Model |
ATO-MQ-131 |
| Product Type |
Semiconductor Gas Sensor |
| Standard Package |
Plastic Seal |
| Detect Gas |
Ozone (O3) |
| Detection Concentration |
10~100ppb Ozone |
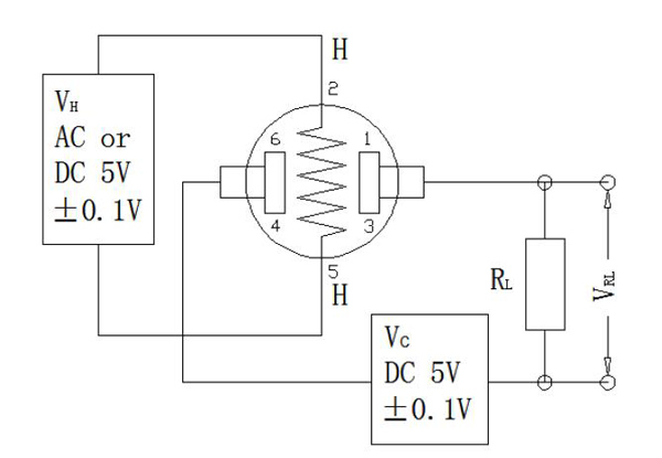
| Standard Circuit Conditions |
Loop Voltage |
VC |
≤24V DC |
| Heating Voltage |
VH |
5.0V±0.1V AC or DC |
| Load Resistance |
RL |
Adjustable |
| Gas Sensor Characteristics Under Standard Test Conditions |
Heating Resistor |
RH |
34±3Ω (Room Temperature) |
| Heating Power Consumption |
PH |
≤900mW |
| Sensitivity |
S |
R0(in air)/RS (in 200ppb O3)≥2 |
| Output Voltage |
VS |
≥1.0V (in 200ppb O3) |
| Concentration Slope |
α |
≤0.6 (R100ppb/R500ppb O3) |
| Standard Test Conditions |
Temperature, Humidity |
20℃±2℃; 55%±5%RH |
| Standard Test Circuit |
VC:5.0V±0.1V; VH:5.0V±0.1V |
| Preheat Time |
Not Less Than 48h |
| Oxygen Concentration |
21% (Not less than 18%. Oxygen concentration will affect the initial value, sensitivity and repeatability of the sensor. Please consult when using it under low oxygen concentration.) |
| Life |
5 Years |
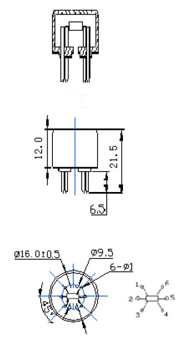
Structural Diagram

Circuit Diagram

Tips: What is an Ozone (O3) detection sensor used for?
Ozone (O3) detection sensors play a crucial role in monitoring and assessing air quality by measuring the concentration of ozone in the atmosphere. Ozone is a reactive gas composed of three oxygen molecules and is a key component of the Earth's stratosphere, where it forms the ozone layer. While ozone is beneficial in the stratosphere as it absorbs and protects against harmful ultraviolet (UV) radiation, ground-level ozone can be a significant air pollutant.
Ozone is a common component of smog, and its elevated concentrations near the Earth's surface can have adverse effects on human health, vegetation, and the environment. Exposure to high levels of ground-level ozone can cause respiratory problems, aggravate existing respiratory conditions, and lead to other health issues.
Ozone detection sensors are utilized in various applications, including environmental monitoring, industrial settings, and research. They provide real-time data on ozone levels, enabling authorities to implement timely measures to protect public health and the environment. In urban areas, these sensors are often part of air quality monitoring networks, helping policymakers make informed decisions to mitigate the impact of air pollution. Additionally, industries use ozone sensors to ensure compliance with regulatory standards and to optimize processes that may contribute to ozone emissions. Overall, ozone detection sensors play a critical role in safeguarding air quality and human well-being.