250A DC contactor comes with a normally open contact form, IP67 waterproof rating, CE and RoHS certificates, high performance, and low power consumption. 12V/24V/36V/48V/60V/72V coil voltage can be selected.
Features
- The DC contactor supports a short-term 250A load, features one normally open contact, and has a coil power consumption of ≤22W.
- It provides an insulation resistance of 100MΩ (1000VDC), a dielectric strength of 2kV between contacts and coil, and an IP67 protection rating.
- 250A DC contactor complies with IEC 60664-1, GB/T14048.1, and GB/T14048.4 standards, meets RoHS (2015/863/EU) and REACH (1907/2006/EC) requirements, and is CE certified.
Specifications
| Model |
ATO-ADD-250I |
| Performance Parameter (at 23℃) |
| Contact Arrangement |
1K(1NO) |
| Contact Resistance |
≤5mΩ |
| Contact Voltage Drop |
≤80mV (at 150A) |
| Overload Current |
≤7le,>1s |
| Temperature |
-40℃~55℃ |
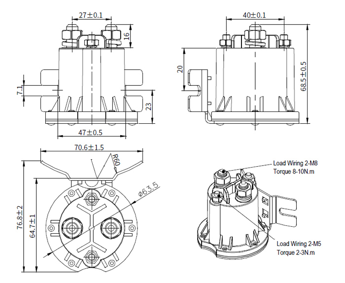
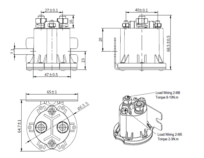
| Load Terminal |
M8 External Thread |
| Vibration |
3.5g,10~200Hz,1/2 Sine Wave (Power On) |
| Relative Humidity |
5%~95%RH |
| Dimension |
76.8x70.6x68.5mm |
| Operating Duty |
Intermittent |
| Electrical Durability with Load (Resistive) |
≥50,000 times(24V/300A) |
| Load Wiring Torque |
8-10N.m |
| Pickup Voltage |
70%Us |
| Dropout Voltage |
5%-40%Us |
| Contact Bounce Period |
≤5ms |
| Pickup Time |
≤30ms |
| Dropout Time |
≤30ms |
| Dielectric Strength |
Between Main Contacts |
50Hz/60Hz 1500V AC/1min |
| Between Main Contacts and Coil |
50Hz/60Hz 1500V AC/1min |
| Insulation Resistance |
Initial State |
100MΩ 1min |
| After Electrical Life |
50MΩ 1min |
| Shock |
Stability |
20g(Power On) |
| Strength |
50g |
| Mechanical Durability |
≥500,000 times |
| Coil Wiring Torque |
2-3N.m |
Coil Parameter
| Coil Voltage |
Pickup Voltage (VDC) |
Dropout Voltage (VDC) |
Coil Resistance |
Coil Power Consumption |
| 12V |
≤70%Us |
5-40%Us |
6Ω±10% |
24W±10% |
| 24V |
≤70%Us |
5-40%Us |
24Ω±10% |
24W±10% |
| 36v |
≤70%Us |
5-40%Us |
54Ω±10% |
24W±10% |
| 48V |
≤70%Us |
5-40%Us |
96Ω±10% |
24W±10% |
| 60V |
≤70%Us |
5-40%Us |
150Ω±10% |
24W±10% |
| 72V |
≤70%Us |
5-40%Us |
216Ω±10% |
24W±10% |
Dimensions (Unit: mm)
Side Cambered Installation

Side Flat Mounting

Wiring Diagram

Applications
ATO DC contactors are widely applied in electric vehicles (EVs), renewable energy systems (solar and wind), energy storage systems (ESS), DC charging stations, uninterruptible power supplies (UPS), and industrial equipment that requires safe and reliable DC switching.

Tips: When should I choose a low-current DC contactor and when a high-current model?
You should choose a DC contactor based on your system maximum operating current
- Low current DC contactors for example 40A are suitable for low to medium current applications such as battery management modules UPS auxiliary circuits or solar storage system branch circuits. They offer smaller size lower cost and lower coil power consumption.
- High current contactors for example 150A or more are required for high current applications such as electric vehicle main battery circuits large energy storage systems or industrial DC power supplies. They can handle startup surges short term overloads and heavy loads safely.
Rule of thumb is to always select a contactor rated slightly above the system maximum continuous current to ensure safe and reliable operation.