Close
(0) Shopping cart
You have no items in your shopping cart.
Shopping Categories
    Filters
    Preferences
    Search

    Side Mounted Float Level Switch, Stainless Steel

    5 out of 5 based on 1 reviews | Write a review
    $89.99
    Side mounted float level switch, stainless steel material, optional contact rating 10W or 50W, contact form 1NO or 1NC, is a liquid level sensor composed magnetic spring switch and floater to detecting the position of the liquid level, which is applied in water tank, air condition and chemical liquid level control.
    *
    *
    SKU: ATO-MR-L10
    30-day Returns
    Free Shipping
    Delivery date: 6-12 days

    Side mounted float liquid level switch is a compact size and highly reliable, which is widely applied in water fountain, air condition, humidifier, bathroom equipment, sale machine, oil tank and chemical liquid level control.

    Specification

    Model ATO-MR-L10
    Material Case SUS304
    Nut SUS304
    Floater SUS304/ SUS316
    E-ring SUS304
    Cable UL 1015 22AWG/ 24AWG
    Filler Ethoxyline (ROHS)
    Used Medium Water, Oil, Chemical Liquid
    Max Contact Rating (Optional) 10W 50W
    Contact Form (Optional) 1NO/ 1NC 1NO/ 1NC
    Max Switching Voltage 100V (DC/AC) 300VAC/ 350VDC
    Max Switching Current 0.5A DC0.7A/ AC0.5A
    Max Breakdown Voltage 150VDC 500VDC

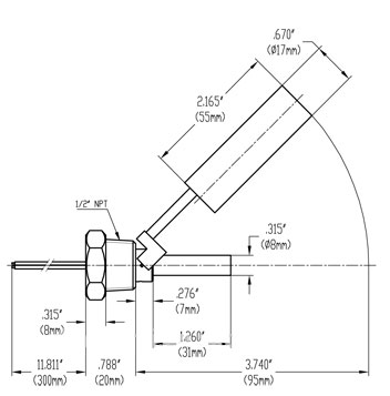
    Dimensions (Units: mm)

    Dimensions of Side Mounted Float Liquid Level Switch

    Tips: What is side mounted float level switch?

    Side mounted float level switch is a kind of capacitive liquid level control technology, which is more reliable and accurate. The principle of the side mounted float level switch is that a high frequency radio wave is applied to the probe, when the material height changes and indeed rises to contact with the center probing rod, the probe and container wall of the meter and stroke admittance value of material to be measured change accordingly. After the circuit detecting the change, it can perform a continuous analysis through the analysis and processing unit in the meter to determine the change of the liquid level and convert into the relevant signal output for remote control or alarm use.

    Existing reviews of Side Mounted Float Level Switch, Stainless Steel
    Happy with this side mounted float level switch.
    Obviously, this side mounted float level sensor is worth every penny without even installing it. Its CNC welded, and it's all polished high-spec stainless steel and filled with some kind of epoxy to prevent wire failure. I'm sure this is worth installing even in an industrial setting.
    From: Tyler | Date: 13/04/2022
    Was this review helpful? Yes No (0/0)
    Load more reviews...
    Write your review for Side Mounted Float Level Switch, Stainless Steel
    • Only registered users can write reviews
    • Bad
    • Excellent
    Customers who bought this item also bought

    Blue Violet Laser Module, Adjustable Focus Laser, 405nm 100mW

    $55.46
    SKU: ATO-LM-D8LASER100
    Buy factory priced blue violet laser module from ATO.com, with a wavelength of 405nm and a power of 100mW, providing bright and clear laser points. The laser module supports a power supply range of 3-5V, is compatible with multiple power configurations, and is easy to install. The blue purple laser module has adjustable focus function, allowing users to precisely adjust the size and clarity of the laser point according to their needs.

    Side Mounted Float Liquid Level Switch

    $181.99
    SKU: ATO-SMFS-LF20D
    Low price side mounted float liquid level switch for sale, with G1 thread, SPDT contact form. This is a device designed to monitor and control the level of liquids in a tank or container. ATO side mount float switch is commonly used in industrial and commercial applications to prevent overfilling or emptying of tanks, ensuring operational efficiency and safety.