High quality electromagnetic clutch max speed 1800r/min, 24V DC voltage, it has simple structure, fast action, small control energy, and easy remote control.
Specification:
| Model |
ATO-FCI-006 |
ATO-FCI-015 |
ATO-FCI-025 |
ATO-FCI-050 |
ATO-FCI-100 |
ATO-FCI-200 |
ATO-FCI-400 |
| Static Torque[kgf-m](N-m) |
0.6 (6) |
1.5 (15) |
2.5 (25) |
5.0 (50) |
10 (100) |
20 (200) |
40 (400) |
| Dynamic Torque[kgf-m](N-m) |
0.5 (5) |
1.0 (10) |
2.0 (20) |
4.0 (40) |
8 (80) |
16 (160) |
32 (320) |
| Rated Voltage |
DC 24V |
| Power (W) at DC 24V, 20℃, no load |
11 |
15 |
20 |
25 |
35 |
45 |
60 |
| Weight (kg) |
0.46 |
0.83 |
1.5 |
2.76 |
5.1 |
9.3 |
17 |
| Maximum Speed (r/min) |
1800 |
| Document |
Download Electromagnetic Brake Installation Manual |
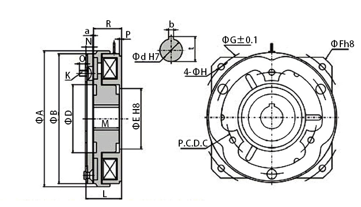
Electromagnetic Clutch Dimension (Unit=mm)

| Model |
ATO-FCI-006 |
ATO-FCI-015 |
ATO-FCI-025 |
ATO-FCI-050 |
ATO-FCI-100 |
ATO-FCI-200 |
ATO-FCI-400 |
| A |
74 |
93 |
116 |
144 |
180 |
228 |
280 |
| B |
70 |
88 |
110 |
137 |
172 |
217 |
257 |
| C |
50 |
60 |
76 |
95 |
120 |
158 |
164 |
| D |
35 |
47 |
55 |
67 |
90 |
107 |
127 |
| E |
35 |
45 |
52 |
65 |
80 |
100 |
117 |
| F |
90 |
110 |
135 |
165 |
210 |
265 |
310 |
| G |
80 |
98 |
122 |
150 |
190 |
240 |
290 |
| H |
4.5 |
5.5 |
6.5 |
6.5 |
6.5 |
8.5 |
10.5 |
| K |
M3 |
M4 |
M5 |
M6 |
M8 |
M10 |
M12 |
| L |
30.3 |
33.9 |
38.8 |
44.5 |
50.7 |
60.5 |
61.3 |
| M |
22 |
24 |
27 |
30 |
34 |
40 |
48 |
| N |
6.3 |
7.4 |
8.8 |
11 |
13.2 |
16.5 |
20.9 |
| O |
5 |
6.5 |
8 |
11 |
14 |
17.5 |
21.9 |
| P |
1.6 |
2 |
2 |
2.5 |
3 |
3.2 |
3.7 |
| R |
24 |
26.5 |
30 |
33.5 |
37.5 |
44 |
48.5 |
| T |
2 |
2.5 |
3 |
3.5 |
3.5 |
4 |
4.5 |
| a |
0.2 |
0.2 |
0.5 |
0.3 |
0.3 |
0.3 |
0.3 |
| b |
4 |
5 |
5 |
7 |
7 |
10 |
12 |
| t |
13.8 |
17.3 |
22.3 |
28.3 |
33.3 |
43.3 |
53.3 |
| d (Axis Dimension) |
12 |
15 |
20 |
25 |
30 |
40 |
45 |
Electromagnetic Clutch applications

Tips: The working principle of the electromagnetic clutch
When the electromagnetic clutch is energized (standard voltage is 24 V DC), the coil generates a strong magnetic field, and the armature plate is attracted to the friction bush of the electromagnetic clutch rotor by the magnetic force. The driving or braking torque is transmitted through the plate spring, there is no slip during operation, and there is no wear after connection.
After the power is lost, the armature plate leaves the electromagnetic brake yoke or the bush of the electromagnetic clutch rotor under the action of the plate spring force to prepare for the next action. There is no residual torque when released. The electromagnetic clutch can be transmitted horizontally or vertically to achieve torque transmission, regardless of high speed or no load.