Note: This solenoid valve cannot be used for drinking water.
Low price 2 position 3 way high-speed solenoid valve for sale, equipped with 2ms extremely fast response, 200 Hz high frequency, 24V DC rated voltage, 4W power and vertical socket. Small pneumatic solenoid valve is very suitable for occasions with space constraints.
Specifications
- Model: ATO-AK106H
- Valve Structure: 2 Position 3 Way Direct Acting
- Working Medium: Air, Inert Gas
- Ambient Temperature: -10-50℃ (Unfrozen)
- Power: 4W
- Response Time: 2ms
- Maximum Operating Frequency: 200Hz
- Pressure Range: -100kpa-0.7Mpa
- Flow Diameter: >Ф2mm (Maximum Flow 150L/min)
- Rated Voltage: 24V DC
- Wiring Method: Vertical Socket
- Interface: M5, Socket Type
- Cable Length: 0.3m (Can be customized)
- Voltage Fluctuation Range: ±10%
- Service Life: More Than 1 Billion Times (Test Conditions of Our Company)
- Valve Body: Copper, Stainless Steel, Soft Magnetic Stainless Iron, Engineering Plastic
- Seal: NBR
Notes
- Please ensure that the air source in the pipeline is dry and clean (filtered by a filter screen of 40μm or above)
- Please be careful to avoid damage caused by falling or gravity collisions during use.
- It is forbidden to disassemble and reinstall the entire solenoid valve parts.
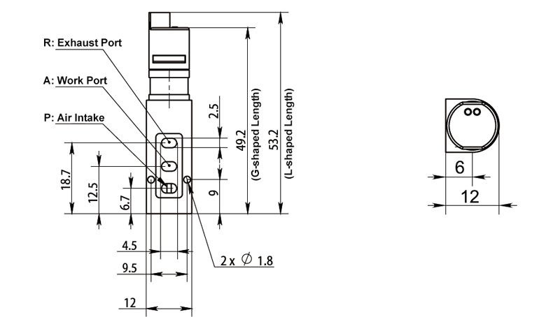
Valve Body Dimension (Unit: mm)

Valve Body with Base (Unit: mm)

Single Combination Dimension (Unit: mm)

Manifold Solenoid Valve Dimension (Unit: mm)

| Position |
2 Position |
3 Position |
4 Position |
5 Position |
6 Position |
| P |
32.5 |
45 |
57.5 |
70 |
82.5 |
| L |
40.5 |
53 |
65.5 |
78 |
90.5 |
| Position |
7 Position |
8 Position |
9 Position |
10 Position |
11 Position |
| P |
95 |
107.5 |
120 |
132.5 |
145 |
| L |
103 |
115.5 |
128 |
140.5 |
153 |
| Position |
12 Position |
13 Position |
14 Position |
15 Position |
16 Position |
| P |
157.5 |
170 |
182.5 |
195 |
207.5 |
| L |
165.5 |
178 |
190.5 |
203 |
215.5 |
| Position |
17 Position |
18 Position |
19 Position |
20 Position |
/ |
| P |
220 |
232.5 |
245 |
257.5 |
| L |
228 |
240.5 |
253 |
265.5 |
Tips: What is a high-speed solenoid valve?
A high-speed solenoid valve is an electromechanically operated valve designed for rapid switching, typically used in applications requiring precise fluid control. It operates by moving a plunger within a coil, which opens or closes the valve when an electric current passes through the coil. A high-speed solenoid valve with a frequency of 200Hz means it can switch on and off 200 times per second, allowing for extremely fast response times.
With a 2 millisecond (ms) response time, this valve can transition from closed to open or vice versa in just 2ms. This swift operation is crucial in applications such as fuel injection systems, pneumatic controls, and high-speed sorting systems where timing and precision are essential. The fast switching capability reduces lag and enhances the efficiency of the system by ensuring quick adjustments to the flow of liquids or gases.
The design and materials of high-speed solenoid valves are optimized to withstand the stresses of rapid operation and ensure durability and reliability. Advanced manufacturing techniques and high-quality components ensure that these valves can maintain their performance over a long lifespan, even under demanding conditions.