Automatic tension controller keeps roll materials like paper, film, or foil at constant tension during unwinding, rewinding, or printing. Tension sensors are optionally available in rated capacities of 100N, 200N, 300N, 500N, 1000N, and 1500N. It automatically adjusts torque, speed, or brake force to compensate for changes in roll diameter or line speed, ensuring stable tension and high-quality output.
Specification
| Model |
ATO-TC-3600 |
| Auto Tension Controller |
Working Main Input |
AC220V 100W |
| Working Power Source Outputs |
DC10V, the tension examination power source |
| Simulation Output Signal |
Control outputs DC0-10V to use in serving controls and so on the amplifier |
| Control outputs DC0-24V to use in controlling the DC24V electric current less than 4A, following the magnetic powder (electromagnetism) digital quantity |
| Input Signal |
Each numeral quantity and so on coupling brake all to use the photoelectricity isolation electric circuit to input, all digital quantity input only DIO DIA DIB |
| Use Ambient Temperature |
-10~40℃ |
| Use Environment Humidity |
35~85%RH (No condensation) |
| Use Environment |
Non-corrosiveness, not flammable gas, non-conductive dust, dust few |
| Grounding |
D kind of earth (It is the prohibition of the strong electricity electric wire earth together) |
| Tension Sensor |
Rated Load (Optional) |
100N, 200N, 300N, 500N, 1000N, 1500N |
| Working Load Direction |
Compression and tension in both directions |
| Wiring Size |
7m*φ7 |
| Use Conditions |
-5~+40℃ Vibration of the following 2m/s2 |
Details

- LCD display: You can choose a simplified, traditional, or English version of the work interface, status monitoring screen, parameter screen, etc.
- LED display: Display tension measurement value (unit: N Newton) in the automatic state, and display controller output percentage (unit: %) in the manual state.
- Reset key: Output memory reset/winding diameter reset key (press for about 0.5 seconds). When the memory indicator MEMORY is on, it means that the "output memory" is on, and when the indicator is off, it means that the "output memory" is off.
- Power switch indicator: Indicates the power supply status of the controller.
- Parameter menu number selection key: Select the parameter number.
- Execute key: Execute (confirm) key for password operation, peeling and zeroing, tension calibration, parameter value modification, and other operations.
- Cancel key: Return the key for the above operations.
- Value increase and decrease key: Adjust the controller output percentage in the manual working state, adjust the set tension size in the automatic working state, modify the parameter value in the parameter setting or the cursor ▶ move key in the parameter selection item.
- Output button: When output is allowed, PA-PAN, SA-SN, PB-PBN, or SB-SN has control output. Pressing this button will turn off the output. At this time, the LED display will display "OFF" and the output of PA-PAN, SA-SN, etc. will disappear.
- Manual/automatic conversion button: Pressing this button in manual mode will turn to automatic working mode; in automatic working mode, pressing this button will turn to manual working mode.
- Page turning button: Page turning button of the LCD screen.
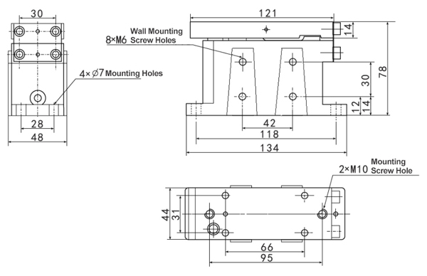
Auto Tension Controller Dimension (Unit: mm)

Tension Sensor Dimension (Unit: mm)

Tips: What is an automatic tension controller?
An automatic tension controller is a device used to maintain consistent tension in materials during processes like winding, unwinding, slitting, or rewinding. These systems are critical in industries that handle materials such as paper, film, textiles, wire, and foil, where tension variations can lead to defects or breakages. The controller continuously monitors the tension using feedback from sensors and adjusts it by controlling brakes, clutches, or motors in real-time. Depending on the system design, they can be either closed-loop or open-loop controllers.
Closed-loop systems use direct feedback from tension sensors (like load cells) to make precise adjustments, while open-loop systems rely on pre-set parameters and the material's properties. This automated tension regulation ensures optimal material handling, improving product quality and reducing downtime due to equipment malfunctions or material mishandling.