Magnetic powder brake rated torque 3Nm, 50Nm, 100Nm, 200Nm, 400Nm are avaliable, overload protection, speed adjustment, can be used in textile industry, printing and dyeing, manufacturer direct sale.
Magnetic Particle Brake Features
1. The excitation current is linear with the torque. The transmitted torque is substantially linear with the excitation current. As long as the magnitude of the stimulation current is changed, the magnitude of the torque can be controlled over a wide range. In general, the stimulus current is substantially proportional to the transmitted torque in the range of 5%-100% of the rated torque.
2. Stable slip torque. When the stimulation current remains unchanged, the transmitted torque is not affected by the difference in rotational speed between the active and the driven, that is, there is no difference between the static friction torque and the dynamic friction torque, so that the torque can be stably achieved. This feature is applied to the tension control, and the user can accurately control the torque by adjusting the stimulation current, thereby effectively controlling the tension of the roll.
3. Prevent heat generation due to slip. Generally, the friction part is inevitably heated or even burned when continuously sliding. However, the ATO magnetic powder brake has a complete heat sink, which will not be too hot for a long time and has a long service life.
Magnetic Particle Brake Specification:
| Model |
ATO-PB-003 |
ATO-PB-006 |
ATO-PB-015 |
ATO-PB-025 |
ATO-PB-050 |
ATO-PB-100 |
ATO-PB-200 |
ATO-PB-400 |
| Rated Torque |
3Nm |
6Nm |
15Nm |
25Nm |
50Nm |
100Nm |
200Nm |
400Nm |
| Rated Current |
0.53A |
0.81A |
0.94A |
1.24A |
2.15A |
2.4A |
2.7A |
3.5A |
| Rated Voltage |
DC24V |
| Power |
12.7W |
19.4W |
22.5W |
30W |
51.5W |
57.6W |
64.8W |
84W |
| No. of Hour Set |
0.08S |
0.08S |
0.1S |
0.12S |
0.13S |
0.25S |
0.37S |
0.4S |
| Moment of Interial |
3.00*10-4 Kgcm2 |
6.0*10-4 Kgcm2 |
1.34*10-3 Kgcm2 |
3.8*10-3 Kgcm2 |
9.5*10-3 Kgcm2 |
3.5*10-2 Kgcm2 |
9.15*10-2 Kgcm2 |
2.4*10-1 Kgcm2 |
| Air Pressure |
/ |
3*104 Pa |
3*104 Pa |
5*104 Pa |
1*105 Pa |
6*104 Pa |
5*104 Pa |
2*105 Pa |
| Air Volume |
/ |
0.2m³/min |
0.2m³/min |
0.4m³/min |
0.6m³/min |
1.1m³/min |
1.6m³/min |
2.0m³/min |
| Slip Power |
/ |
110W |
250W |
380W |
700W |
1100W |
1900W |
2800W |
| Weight |
2.0kg |
2.1kg |
4.5kg |
7.6kg |
12.5kg |
34kg |
45kg |
90kg |
| Maximum Speed |
1800 r/min |
| Weight of powder |
7.5g |
10g |
20g |
33g |
60g |
140g |
225g |
370g |
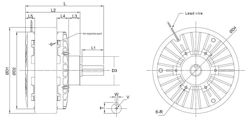
3Nm-400Nm Magnetic Particle Brake Dimension (unit: mm)

| Model |
ATO-PB-003 |
ATO-PB-006 |
ATO-PB-015 |
ATO-PB-025 |
ATO-PB-050 |
ATO-PB-100 |
ATO-PB-200 |
ATO-PB-400 |
| D1 |
120 |
125 |
152 |
182 |
219 |
278 |
327 |
395 |
| D2 |
75 |
110 |
126 |
160 |
196 |
260 |
301 |
365 |
| D3 (g7) |
42 |
42 |
42 |
55 |
74 |
100 |
110 |
130 |
| D4 |
64 |
64 |
64 |
78 |
100 |
140 |
150 |
200 |
| L |
106 |
112.5 |
132 |
157 |
192 |
239 |
270.5 |
338 |
| L1 |
22 |
25 |
29 |
43 |
55 |
65 |
69 |
92 |
| L2 |
78 |
80.5 |
98 |
108 |
131 |
167 |
191.5 |
226 |
| L3 |
11 |
11 |
15 |
17 |
30 |
28 |
30 |
35 |
| L4 |
14 |
17 |
25.5 |
26 |
28 |
46 |
56 |
70 |
| L5 |
12 |
12 |
14.5 |
15 |
18 |
21.5 |
32 |
40 |
| d (h7) (shaft diameter) |
10 |
12 |
15 |
20 |
25 |
30 |
35 |
45 |
| T (-0-0.2) (Contains key) |
11.5 |
13.5 |
17 |
22 |
28 |
33 |
38.5 |
48.5 |
| W (P7) |
4 |
5 |
7 |
10 |
12 |
| V |
M3*0.6P*6L |
M4*0.7P*8L |
M6*1P*12L |
M10*1.5P*20L |
| R |
6-M5*0.8P*10L |
6-M6*1P*10L |
6-M10*1.5P*20L |
6-M10*1.5P*15L |
| S |
/ |
1/8 |
1/4 |
3/8 |
Details

Single Shaft Magnetic Powder Brake Installation

Magnetic Powder Brake Application

Tips: Magnetic Particle Brake Main Applications
Magnetic powder brake have been widely used in paper making, printing, plastic items, rubber industry, textile industry, printing and dyeing, wire and cable, metallurgy industry and tension control of winding and unwinding in roll material processing industry. Moreover, ATO magnetic powder brake can be also used in buffering start, test loading and braking of the transmission machinery, overload protection, speed adjustment.