Noiseless and responsive, the angular displacement sensor thrives in industrial extreme environments. Its IP65 protection rating and wide operating temperature range (-40°C to 125°C) ensure stable, reliable performance in water, oil, dust, and high-vibration conditions. The non-contact design minimizes wear, offers low thermal drift, and delivers high signal stability for long-term industrial measurement.
Specification
| Model |
ATO-WDD-D30BZ, ATO-WDD-D30BA |
| Item |
Test Condition |
Min. |
Typ. |
Max. |
| Supply Voltage |
- |
12 V |
12 V |
24 V |
| Supply Current |
- |
- |
10 mA |
16 mA |
| Measuring Range |
- |
360° |
| Output |
- |
0.02 ±0.01 V |
V/2 (midpoint) ±0.01 V |
Adjustable (5≤V≤12) ±0.01 V |
| Storage Temp (TS) |
- |
-40 ℃ |
- |
125 ℃ |
| Operating Temp (TA) |
- |
0~55 ℃ (Commercial grade) |
-20~80 ℃ (Industrial grade) |
-40~125 ℃ (Military grade) |
| Midpoint Drift (T.C.) |
(-40℃ < TA < 80℃) |
≤ ±5 mV FS |
| Full Scale Drift (T.C.) |
- |
1% FS (Commercial grade) |
0.5% FS (Industrial grade) |
0.5% FS (Military grade) |
| Resolution |
(Equivalent to 4096 divisions) |
- |
0.087° |
- |
| Linearity |
- |
0.1% FS (≤60°) |
±0.2% FS (≤150°) |
±0.2% FS (≥150°) |
| Protection Class |
IP65 |
| Wiring |
Shielded cable, PTFE high-temperature wire: Brown-Positive, Blue-Negative, Black-Output |
| Notes |
The output low voltage cannot reach absolute zero, with a minimum of 0.05V. A 1°non-linear region exists at the junction of 0° and 360° during 0~360° multi-turn measurement. |
| It is recommended to avoid this non-linear region and use the 5°~355° range for measurement to ensure the linearity of the output signal. |
Features
- Non-contact displacement measurement: This displacement sensor utilizes magnetic sensing elements, operating without contact or noise to achieve near-infinite rotational lifespan and high-frequency response.
- Wide measurement range: The non-contact angular displacement sensor supports full 360° measurement coverage, with optional 90° or 180° specifications. It also enables programmable measurement range selection for flexible adaptation to diverse monitoring requirements.
- Multi-scenario applicability: Featuring an IP65 protection rating, this angular displacement sensor operates reliably within a wide temperature range of -40°C to 125°C. It delivers stable and accurate angular feedback even in harsh industrial environments involving water, oil, steam, dust, extreme temperatures, and vibration/shock.
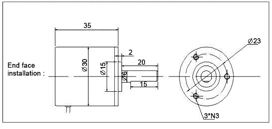
Installation Dimensions (unit: mm)


Tips: What are the types of displacement sensors?
Displacement sensors are a category of sensors used to detect and measure changes in an object's position. Based on their operating principles and measurement methods, they can be broadly classified into contact and non-contact types. Contact displacement sensors detect displacement by directly contacting the measured object. Typical examples include potentiometer-type sensors and draw-wire sensors. They feature simple structures and low costs, but long-term use may lead to wear and reduced accuracy. Non-contact displacement sensors detect displacement through electromagnetic, optical, capacitive, or Hall effect methods, such as LVDT, capacitive, laser, and magnetic induction sensors. These enable high-precision, high-response-speed measurements resistant to environmental interference. Based on output signal type, they can be further categorized into analog and digital outputs. By measurement direction, they are classified as linear displacement and angular displacement sensors, meeting diverse application requirements. Modern displacement sensors undergo continuous optimization in precision, stability, and durability, enabling their widespread adoption across mechanical manufacturing, automation control, aerospace, and scientific research experiments.