Close
(0) Shopping cart
You have no items in your shopping cart.
Shopping Categories
    Filters
    Preferences
    Search

    Optical Dust Sensor, 0-3000mg/m2

    $65.47
    The optical dust sensor has a particle size detection range of ≥5μm and an effective particle concentration range of 0–3000mg/m², supports a wide power supply range of 12–30V. The sensor outputs data via UART or PWM modes, with data interface voltage levels of L<0.8V at 3.3V and H>2.7V at 3.3V. For vacuum cleaners, sweepers, mite removers, smart detectors.
    *
    SKU: ATO-DS-S7
    30-day Returns
    Free Shipping
    Delivery date: 6-12 days

    The optical dust sensor detects particles ≥5μm with a concentration range of 0–3000mg/m² and operates on a 12–30V power supply. It supports UART and PWM output with 3.3V interface levels (L<0.8V, H>2.7V), ideal for vacuum cleaners, sweepers, mite removers, and smart detectors.

    Specification

    Model ATO-S7
    Particle Size Detection Range ≥5μm
    Effective Particle Concentration Range 0–3000mg/m2
    Single Response Time ≤0.3s
    Power Supply Drive voltage of fan (12–30V)
    Operating Current ≤30mA
    Standby Current ≤0.5mA
    Data Interface Voltage Levels L<0.8 @ 3.3V, H>2.7 @ 3.3V
    Output Mode UART & PWM
    Operating Temperature Range -10°C to +65°C (non-condensing)
    Operating Humidity Range 0–98% (non-condensing)
    Average Failure-Free Time ≥5 years
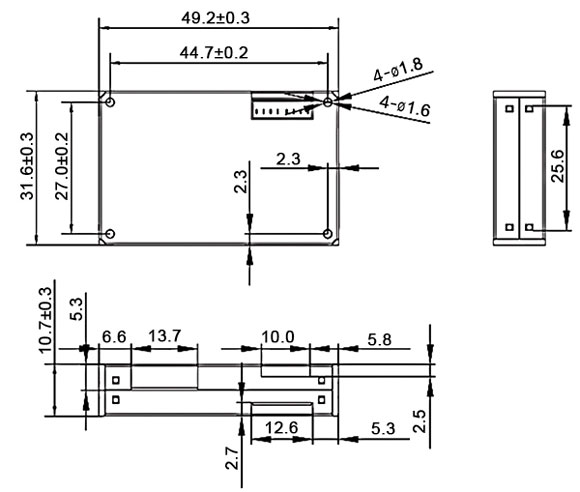
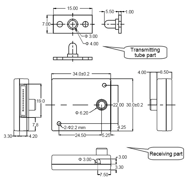
    Maximum Dimensions 34*30*8.5 mm


    Feature

    • Wide Voltage Supply Compatibility: The sensor supports a wide voltage range and can be powered directly by the PWM signal line of a drive fan, providing flexibility in various applications.
    • Compact and Flexible Design: Utilizes an emission and reception separation structure, resulting in a compact size. This makes the sensor suitable for installation in complex and constrained environments.
    • High Measurement Precision: Capable of detecting minimum particle sizes as small as 10μm at wind speeds of 12 m/s, ensuring accurate monitoring even in challenging conditions.
    • Fast Response Time: With a response time of less than 0.3 seconds, the sensor provides real-time monitoring for immediate feedback.
    • Wide Measurement Range: Supports two options for dust concentration measurement: 0-999 mg/m2 and 0-9999 mg/m2, making it adaptable for various detection needs.
    • Low Power Consumption: Features energy-efficient operation with an active current of less than 30mA and standby current below 0.5mA, ideal for long-term use in battery-powered systems.
    • Versatile Application Scenarios: Suitable for integration into vacuum cleaners, robotic sweepers, air purifiers, and other intelligent detection devices, offering a broad range of usage scenarios.

    Size (Unit:mm)

    Optical dust sensor size

    Interface Definitions

     Optical dust sensor interface definitions PIN1 VCC
    PIN2 GND
    PIN3 SET
    PIN4 RX
    PIN5 TX
    PIN6 RESET
    PIN7 Reserved
    PIN8 PWM
    PIN9 GND
    PIN10 VDD
    PIN11 R
    PIN12 G
    PIN13 Y

    Tips: What makes the sensor suitable for use in vacuum cleaners or sweepers?

    The optical dust sensor’s fast response time (≤0.3 seconds) and high sensitivity to dust particles make it ideal for real-time monitoring in vacuum cleaners, robotic sweepers, and other cleaning devices. It helps these machines adjust their suction power based on the dust concentration, improving cleaning efficiency and optimizing energy usage. Its compact size and low power consumption further ensure seamless integration into portable devices.

    Write your review for Optical Dust Sensor, 0-3000mg/m2
    • Only registered users can write reviews
    • Bad
    • Excellent