Air venturi vacuum ejector generates vacuum from compressed air, it is compact and light weight, easy to install in narrow places.
Specification
| Model |
ATO-CV-05 |
ATO-CV-10 |
ATO-CV-15 |
ATO-CV-20 |
ATO-CV-25 |
ATO-CV-30 |
| Nozzle Diameter (mm) |
0.5 |
1 |
1.5 |
2 |
2.5 |
3 |
| Vacuum Pressure (kPa) |
R (Pressure Type) |
-88.6 |
-91.8 |
-91.8 |
-91.8 |
-91.8 |
-91.8 |
| L (Flow Type) |
-57.2 |
-57.2 |
-57.2 |
-57.2 |
-57.2 |
-57.2 |
| Flow Rate (l/min) |
R |
6 |
27 |
63 |
110 |
160 |
225 |
| L |
9 |
36 |
95 |
165 |
250 |
350 |
| Air Consumption (l/min) |
13 |
44 |
100 |
180 |
265 |
385 |
| Supply Pressure (MPa) |
0.5 |
0.5 |
0.5 |
0.5 |
0.5 |
0.5 |
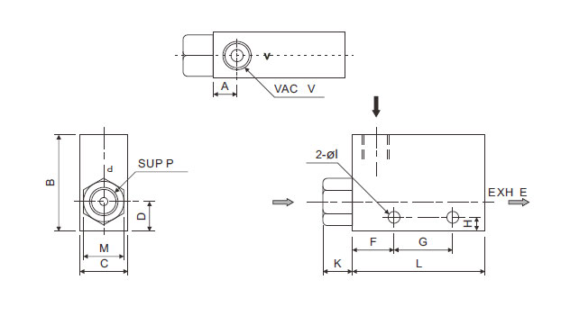
Dimensions
Units: mm

| Model |
ATO-CV-05 |
ATO-CV-10 |
ATO-CV-15 |
ATO-CV-20 |
ATO-CV-25 |
ATO-CV-30 |
| A |
8 |
8 |
10 |
13 |
16 |
20 |
| B |
32 |
32 |
35 |
40 |
60 |
60 |
| C |
16 |
16 |
20 |
27 |
40 |
40 |
| D |
10 |
10 |
11 |
15 |
20 |
20 |
| E |
G1/8 |
G1/8 |
G1/4 |
G1/2 |
G3/4 |
G3/4 |
| F |
14 |
14 |
20 |
28 |
20 |
33 |
| G |
20 |
20 |
25 |
32 |
50 |
50 |
| H |
4.5 |
4.5 |
5 |
7 |
5.5 |
5.5 |
| I |
4.2 |
4.2 |
4.5 |
6 |
6 |
6 |
| L |
45 |
45 |
63 |
85 |
100 |
118 |
| M |
14 |
14 |
17 |
22 |
26 |
30 |
| P |
G1/8 |
G1/8 |
G1/4 |
G1/4 |
G3/8 |
G1/2 |
| V |
G1/8 |
G1/8 |
G1/4 |
G3/8 |
G1/2 |
G3/4 |
| Silencer Model |
ATO-MS-01 |
ATO-MS-01 |
ATO-SM-02 |
ATO-SL-04 |
ATO-S6-01 |
ATO-S6-01 |
with Vacuum Signal Confirmation Equipment

| Model |
ATO-CV-05 |
ATO-CV-10 |
ATO-CV-15 |
ATO-CV-20 |
ATO-CV-25 |
ATO-CV-30 |
| B |
32 |
32 |
35 |
40 |
60 |
60 |
| C |
16 |
16 |
20 |
27 |
40 |
40 |
| N |
16 |
16 |
20 |
30 |
45 |
45 |
| O |
30.2 |
30.2 |
51.5 |
80 |
86 |
96 |
with Adjustable Signal Confirmation Equipment

| Model |
ATO-CV-05 |
ATO-CV-10 |
ATO-CV-15 |
ATO-CV-20 |
ATO-CV-25 |
ATO-CV-30 |
| B |
32 |
32 |
35 |
50 |
60 |
60 |
| C |
16 |
16 |
20 |
30 |
40 |
40 |
| N |
16 |
16 |
20 |
30 |
45 |
45 |
| O |
30.2 |
30.2 |
51.5 |
80 |
86 |
96 |
Exhaust Silencer

Tips: Working principle of pneumatic vacuum generator
Vacuum generator uses venturi working principle. When the compressed air enters from the supply port, it has an acceleration effect when passing through the narrow nozzle inside, so as to flow through the diffusion chamber at a faster speed, at the same time, it drives the air in the diffusion chamber to flow out quickly. Because the air in the diffusion chamber flows out rapidly together with the compressed air, the instantaneous vacuum effect is generated in the diffusion chamber. When the vacuum pipe is connected to the vacuum port, the pneumatic vacuum ejector can extract vacuum from the vacuum pipe.
After the air flows out of the diffusion chamber together with the compressed air and flows through the diffuser, the air flow space gradually increases, so that the air pressure from the exhaust port decreases rapidly and melts into the ambient air. At the same time, due to the acceleration of air outflow exhaust port will generally produce greater noise, so it is usually equipped with a silencer in order to reduce the noise of compressed air discharge.