Fast respond rodless air cylinder stroke 100mm, 300mm, 500mm for selection, bore size can choose 25mm, 30mm or 40mm. Rodless cylinders are widely used in welding assembly, tire production, industrial packaging and irrigation in the automotive industry.
Rodeless Air Cylinder Specifications
| Model |
ATO-CP-3B3R |
| Bore Size |
15mm |
20mm |
25mm |
32mm |
40mm |
| Max Pressure |
0.7 Mpa |
| Min Pressure |
0.16 Mpa |
0.15 Mpa |
0.14 Mpa |
0.12 Mpa |
| Magnetic Holding Force |
137 N |
213 N |
363 N |
588 N |
922 N |
| Port Size |
M5 X 0.8" |
G 1/8" |
| Actuation |
Double Acting |
| Cushion |
Adjustable Cushion |
| Materia |
Aluminum |
| Stroke Length |
50mm, 100mm, 200mm, 400mm to 1000mm |
| Piston Material |
Magnetic |
| Piston Rod Material |
Magnetic |
| Cylinder Type |
Rodless |
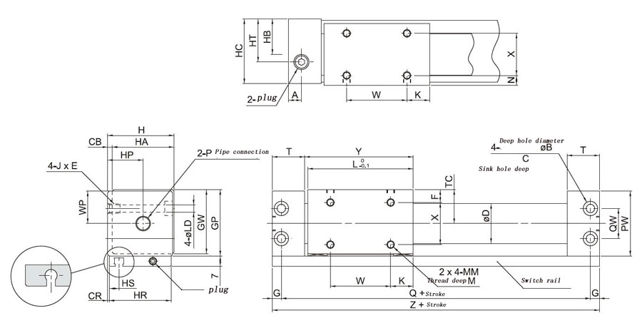
Rodless Pneumatic Air Cylinder Dimension (mm)

| Bore/ Symble |
A |
B |
C |
CB |
CR |
D |
F |
G |
GP |
GW |
H |
HA |
HB |
HC |
HP |
HS |
HT |
J X E |
| 15mm |
10.5 |
8 |
4.2 |
2 |
0.5 |
16.6 |
8 |
5 |
33 |
31.5 |
32 |
30 |
17 |
31 |
17 |
8.5 |
17 |
M5 x 0.8 x 7 |
| 20mm |
9 |
9.5 |
5.2 |
3 |
1 |
21.6 |
9 |
6 |
39 |
37.5 |
39 |
36 |
21 |
38 |
24 |
7.5 |
24 |
M6 x 1 x 8 |
| 25mm |
8.5 |
9.5 |
5.2 |
3 |
1 |
26.4 |
8.5 |
6 |
44 |
42.5 |
44 |
41 |
23.5 |
43 |
23.5 |
6.5 |
23.5 |
M6 x 1 x 8 |
| 32mm |
10.5 |
11 |
6.5 |
3 |
1.5 |
33.6 |
10.5 |
7 |
55 |
53.5 |
55 |
52 |
29 |
54 |
29 |
7 |
29 |
M8 x 1.25 x 10 |
| 40mm |
10 |
11 |
6.5 |
5 |
2 |
41.6 |
13 |
7 |
65 |
63.5 |
67 |
62 |
36 |
66 |
36 |
8 |
36 |
M8 x 1.25 x 10 |
| Bore/ Symble |
L |
LD |
M |
MM |
N |
PW |
Q |
QW |
T |
TC |
W |
WP |
X |
Y |
Z |
| 15mm |
53 |
4.3 |
5 |
M4 x 0.7 |
6 |
32 |
84 |
18 |
19 |
17 |
25 |
16 |
18 |
54.5 |
94 |
| 20mm |
62 |
5.6 |
5 |
M4 x 0.7 |
7 |
38 |
95 |
17 |
20.5 |
20 |
40 |
19 |
22 |
64 |
107 |
| 25mm |
70 |
5.6 |
6 |
M5 x 0.8 |
6.5 |
43 |
105 |
20 |
21.5 |
22.5 |
40 |
21.5 |
28 |
72 |
117 |
| 32mm |
76 |
7 |
7 |
M6 x 1 |
8.5 |
54 |
116 |
26 |
24 |
28 |
50 |
27 |
35 |
79 |
130 |
| 40mm |
90 |
7 |
8 |
M6 x 1 |
11 |
64 |
134 |
34 |
26 |
33 |
50 |
32 |
40 |
93 |
148 |
Tips: How to install a rodless air cylinder?
1. Cylinder open box installation should check the rodless air cylinder in the transport process whether there is damage, whether there is loose in the two ends of the rod nut or threaded connection, it can be installed and used when remove anti-rust oil and shield (cap).
2. The apply of front and rear flange, scaffolding type of cylinder, should avoid the installation of bolts directly under the thrust or tension of the load.
3. After the rodless air cylinder is installed, the pressure should be used 2-5 times under no load state to check the cylinder buckle to have no abnormal phenomenon.
4. Cylinder adjustment. When the speed of cylinder movement has certain requirements, the cylinder system must install a one-way throttle valve, the general situation of cylinder horizontal installation exhaust throttle cylinder speed is relatively stable. Cylinder vertical installation with intake throttle speed regulation should first connect the cylinder load, adjust the speed regulating valve to the middle position of the adjustment range and then adjust the output pressure of the pressure relief valve, when the cylinder speed close to the specified speed, you can decide to adjust the pressure and the speed regulating valve (one-way throttle valve) can then be adjust slightly.
5. Adjustable buffer cylinder is used to open all the cushioning valve before running, and then gradually increase the damping until satisfied. When adjusting the cushioning needle valve, the damping of the clockwise knob increases and the damping of the counterclockwise knob decreases.