The dynamic torque sensor is ideal for motor testing, gearbox evaluation, and industrial automation. High speed torque sensor measures torque from 50Nm to 10,000Nm, supports speeds up to 12,000 RPM, and offers outputs in ±10V, 4-12mA, 0-10V, 4-20mA, or RS485. Operating on DC 12~28V with 7.3W power, torque measurement sensor has a 3200Hz sampling rate with 24bit AD and 14bit DA resolution, ensuring accuracy in applications like automotive testing, robotics, and research.
Specification
| Model |
ATO-DYN-T40 |
| Range |
50Nm, 100Nm, 200Nm, 500Nm, 1000Nm, 2000Nm, 3000Nm, 5000Nm, 10000Nm |
| Supply Voltage |
DC 12~28V |
| Maximum Power |
7.3W |
| Encoder Sampling Rate |
3200Hz |
| Encoder Sampling AD Resolution |
24bit |
| Analog Output DA Resolution |
14bit |
| Allowed Speed Range |
0~12000 RPM |
| Rotation Pulse Frequency |
120Hz, 240Hz (optional) |
| Torque Output Type |
±10V, 4-12mA, RS485 (optional) |
| Speed Output Type |
0-10V, 4-20mA, RS485 (optional) |
| Torque Accuracy |
0.1-0.05% |
| Communication Protocol |
Modbus RTU, HEX Active Sending |
| Optical Indicator |
Dual RGY Indicator Light |
Feature
- High Precision and Stability: Provides highly accurate torque and RPM measurements, ensuring consistent and reliable performance.
- Wide Torque Range: Measures torque from 50Nm to 10,000Nm, making it suitable for various industrial and research applications.
- Multi-Signal Output: Supports multiple output formats, including ±10V voltage signals, 4-20mA current signals, and RS485 for torque and speed data. Also compatible with single-frequency ABZ signal output for advanced integration.
- High-Speed Sampling: Achieves a signal output rate exceeding 3000Hz, ideal for high-speed torque measurement scenarios.
- Compact and Easy Installation: Designed with a compact shaft structure and detachable measurement axis for seamless integration in various setups. Simplified installation steps and anti-offset characteristics enhance usability.
- Versatile Applications: Suitable for motor performance testing, gearbox evaluation, and industrial automation tasks requiring real-time torque and speed data.
- Dual RGY Indicator Light: Equipped with a clear dual RGY indicator for operational status monitoring.
- Durable Construction: Engineered to operate reliably under demanding industrial conditions with minimal maintenance requirements.
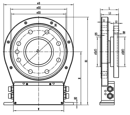
Dimension (unit: mm)


| Torque (N·m) |
ΦD |
ΦD1 |
ΦD2 |
ΦD3 |
H |
H1 |
H2 |
H3 |
H4 |
d |
L |
| 50, 100, 200 |
Φ84 |
Φ154.4 |
Φ114 |
Φ104 |
133 |
210.2 |
7.5 |
2 |
4.2 |
Φ57 |
47 |
| 500, 1000 |
Φ101.5 |
Φ176.4 |
Φ136 |
Φ130 |
144 |
232.2 |
7.5 |
3 |
4.2 |
Φ75 |
51 |
| 2000, 3000 |
Φ130 |
Φ210.4 |
Φ170 |
Φ164 |
161 |
266.2 |
7.5 |
2.5 |
4.2 |
Φ90 |
55 |
| 5000 |
Φ155.5 |
Φ239.4 |
Φ199 |
Φ193 |
175.5 |
295.2 |
7.5 |
2.8 |
4.2 |
Φ110 |
65.8 |
| 10000 |
Φ196 |
Φ286.4 |
Φ246 |
Φ240 |
199 |
342.2 |
7.5 |
3.5 |
4.2 |
Φ140 |
79 |
| L1 |
L2 |
L3 |
M1 |
M2 |
M3 |
E |
E1 |
B |
B1 |
C |
W |
| 45 |
14 |
10.5 |
6-Φ8.2 |
6-Φ14 |
6-M8 |
190 |
210 |
20 |
44 |
9 |
152 |
| 49 |
17 |
12 |
8-Φ10.5 |
8-Φ17 |
8-M10 |
190 |
210 |
20 |
44 |
9 |
152 |
| 53 |
18 |
15 |
8-Φ12.5 |
8-Φ19 |
8-M12 |
190 |
210 |
20 |
44 |
9 |
152 |
| 63 |
20 |
22 |
8-Φ14.5 |
8-Φ22 |
8-M14 |
190 |
210 |
20 |
44 |
9 |
152 |
| 75.5 |
22 |
24 |
8-Φ17 |
8-Φ26 |
8-M16 |
190 |
210 |
20 |
44 |
9 |
152 |
Installation

Before mounting, fasten the rotor to the measured shaft with the screws, then insert the stator into the rotor and adjust the stator distance to ensure that the rotor does not come into contact with the stator in both the stationary and rotating states. In the absence of a tacho-module, the axial distance between the stator and the rotor is permitted to deviate by a factor of 3 mm or less.
Application

Tips: What makes this sensor suitable for high-precision torque and speed measurement?
The sensor’s high-precision design is a result of its advanced internal components and sampling capabilities. It features a 24-bit AD (Analog-to-Digital) resolution for torque measurement, ensuring that even the smallest changes in torque can be accurately captured. Similarly, the 14-bit DA (Digital-to-Analog) resolution provides high-fidelity signal output for real-time data processing. Additionally, the sampling rate of up to 3200Hz enables the sensor to capture rapid fluctuations in torque and RPM, making it ideal for high-speed applications. This combination of precision and speed is crucial for industries such as aerospace and robotics, where minor inaccuracies can have significant consequences.