The micro momentary switch has the features of short action stroke, small pressing force and quick disconnection, rated at 3A, 125V/250V AC. A multi-functional small micro switch has a wide range of applications including mechanical, electrical, and even automotive.
Specification
- Model: ATO-MS-01
- Rating: 3A 125/250VAC
- Contact Resistance: 500mΩ Max
- Insulation Resistance: >100MQ DC500V
- Withstand Voltage: AC 1500V, 1min
- Soldering Temperature: 235±5°C, 5s
- Mechanical Life: 1000,000 Cycles
- Electrical Life: Ambient Temperure: -25°C to +105°C
- Ambient Humidity:<85% at +40°C
- Operating Force: 60-100gf max
- Contact Type: 1NC+1NO
Features
- 2 Pin limit micro switches are typically very small and compact, making them easy to install in tight spaces.
- Limit micro switches require very little force to activate, which makes them ideal for use in applications where a light touch is required.
- Snap action switches are designed to be very precise and accurate, ensuring that they activate only when the intended motion or object comes into contact with them.
- Waterproof micro switches require very little force to activate, which makes them ideal for use in applications where a light touch is required.
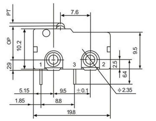
Dimension (Unit mm)

Details

Applications
Micro switches, also known as snap-action switches, are a kind of small low force switches. Micro switches have a wide range of applications including industrial machinery, appliances, automotive systems, etc. Microswitches are compatible with a wide variety of voltages and currents, making them a flexible and versatile choice for many different applications.

Tips: What are micro switches used for?
Micro switches, also known as snap-action switches, are small electrical switches that are used to detect the presence or absence of an object or to control an electrical circuit based on a physical motion or position.
Micro switches are commonly used in a variety of applications, including:
- Home appliances: Micro switches are used in washing machines, dryers, refrigerators, and other home appliances to detect the position of the appliance's door or lid.
- Industrial machinery: Micro switches are used in industrial machinery to detect the position of moving parts and to control the operation of the machine.
- Automotive industry: Micro switches are used in automotive applications, such as in the gear shifter, power windows, and seat position sensors.
- Medical devices: Micro switches are used in medical devices, such as in hospital beds, to detect the position of the bed or to control the operation of the device.
- Gaming equipment: Micro switches are used in gaming equipment, such as in computer mice and keyboards, to detect the position of buttons and to provide tactile feedback to the user.
Overall, micro switches are used in many applications where a precise, reliable, and compact switch is needed to control the operation of a device or to
detect the position of an object.