120mm DC forward inclined centrifugal fans working at 24V or 48V, are characterized by their forward curved blades, which are designed to move air efficiently at lower speeds, making them best for applications requiring low noise levels and high air volume.
Specification
| Model |
ATO-BE-F120B-EC-00 |
| Operating Voltage (Optional) |
24V DC or 48V DC |
| Max. Power |
90W |
| Motor Power |
90W |
| Max. Current |
1.8A |
| Noise |
67dB(A) |
| Impeller Diameter |
120mm |
| Speed |
3230rpm |
| Air Volume |
340m3/h (200 cfm) |
| Speed Regulation |
0~10VDC / PWM |
| Impeller Material |
Galvanized Sheet |
| Rotation Direction |
Clockwise CW (from the rotor end) |
| Operation Mode |
S1 |
| Bearing |
Ball Bearing |
| Operating Temperature |
-25~60℃ |
| Motor Protection |
Thermal Protector Automatically Reset |
| Performance |
Low Noise Fan |
| Protection Level |
IP55 |
| Insulation Level |
B |
| Certificate |
CCC, RoHS |
| Weight |
3kg |
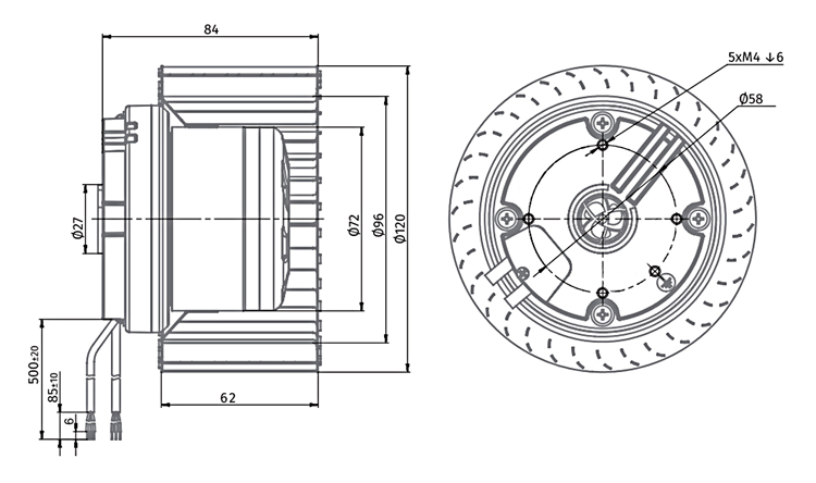
Dimension (Unit: mm)

Performance Curve

Wiring

Detail

Tips: Difference between backward and forward curved centrifugal fan
Backward curved centrifugal fans have blades that curve away from the direction of rotation, providing higher efficiency and lower noise levels. They are typically used in applications where maintaining a consistent air flow and pressure is crucial, such as HVAC systems, industrial processes, and clean rooms. Their design allows for better handling of dust-laden air and higher pressure ratios, making them ideal for medium to high-pressure systems.
Forward inclined centrifugal fans, on the other hand, have blades that curve in the direction of rotation. These fans generate higher airflow rates at lower speeds but are less efficient and noisier compared to their backward curved counterparts. They are often used in low to medium pressure applications, such as residential heating and cooling systems, small ventilation units, and low-pressure industrial processes. Their compact design and high air volume output make them suitable for applications where space is limited and lower noise levels are less critical.