Engineered for construction and machinery applications, this single-ended shear beam load cell delivers excellent creep resistance, low hysteresis, and strong anti-interference signal output. With a reinforced waterproof cable and over 1,000,000 fatigue life cycles, it performs reliably in complex environments. Choose this high-precision load cell for stable, consistent performance.
Note: The load cell cannot be connected to both the transmitter and the controller at the same time — only one can be selected.
Specification
| Model |
ATO-DYSBS |
| Rated capacity (Emax) |
0.3t; 0.5t; 1t; 2t |
3t |
| Matched Transmitter |
ATO-LCTR-OA (Click it to the transmitter page) |
| Matched Display Controller |
ATO-DPM-DY800 (Click it to the controller page) |
| Accuracy class<sup>1)2)</sup> |
0.03% / C3 / C5 |
| Min. dead load |
0kg |
| Rated output |
2.0 ± 0.002 mV/V |
| Zero balance |
±1 % of Emax |
| Y-value |
6000 / 10000 / 10000 |
| Repeatability error |
< ±0.015 / < ±0.010 / < ±0.006 % of AL3) |
| Creep; 30 minute |
< ±0.030 / < ±0.017 / < ±0.010 % of AL |
| Min. dead load output return (DR); 30 min |
< ±0.030 / < ±0.017 / < ±0.010 % of AL |
| Temp. effect on |
Min. dead load output |
< ±0.0023 / < ±0.0014 / < ±0.0014 % of Emax/℃ |
| Rated output2) |
< ±0.0020 / < ±0.0012 / < ±0.0007 % of AL/℃ |
| Temperature range |
Compensated |
-10 to +40 [+14 to +104] ℃(℉) |
| Operating |
-40 to +65 [-40 to +149] ℃(℉) |
| Safe storage |
-40 to +80 [-40 to +176] ℃(℉) |
| Excitation voltage |
Recommended |
5 ~ 15V AC/DC |
| Maximum |
15V AC/DC |
| Terminal resistance |
Excitation |
384 ± 5 Ω |
| Terminal resistance |
Output |
350 ± 3 Ω |
| Insulation resistance @50VDC |
> 5000 MΩ |
| Breakdown voltage |
> 500 V AC |
| Seal type / IP rating |
Hermetically welded / IP68 |
| Load limit |
Safe |
150 % of Emax |
| Ultimate |
300 % of Emax |
| Material - Spring element |
Alloy steel / Stainless steel |
| Material - Cable |
O.D. Φ6; 4-wire; PVC |
| Cable length |
5.0 m |
| Weight; approx |
2.2 kg |
| Fatigue life |
> 1,000,000 cycles @Emax |
| Deflection at Emax; approx |
< 0.5 mm |
| Barometric pressure effect on Zero Output |
< 1.0 Vmin/kPa |
| Mounting screw |
Size/Grade |
M12 / 10.9 |
M14 / 10.9 |
| Recommended torque |
98 N.m |
160 N.m |
| Notes |
Error due to the combined effect of non-linearity and hysteresis |
| The sum of errors due to Temperature Effect on Output comply with the requirements of OIML R60 and NIST HB44 |
| AL = Applied Load |
Features
- High-strength alloy steel structures: The single-ended shear beam load cell made of 42CrMo alloy steel, offering high strength, impact resistance and long-term durability in industrial environments.
- IP68 fully sealed design: Hermetically welded single-ended beam load cell with IP68 protection, ensuring reliable performance in wet, dusty and harsh conditions.
- High-precision output: Compliant with OIML R60, this single-ended beam load cell provides up to 5000d (C3/C5) accuracy with low creep and hysteresis, ensures highly consistent and repeatable measurements, minimizes long-term drift.
- Stable signal: The load cell with anti-interference design and reinforced cable, providing stable signal output and improved resistance to pulling and damage.
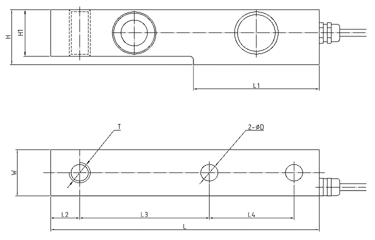
Dimension

| Rated Capacity |
L (mm) |
L1 (mm) |
L2 (mm) |
L3 (mm) |
L4 (mm) |
T |
D (mm) |
H (mm) |
H1 (mm) |
W (mm) |
| 0.3t–2t |
203 |
95 |
22 |
98 |
64 |
M16 |
13 |
43 |
36.5 |
36.5 |
| 3t |
203 |
95 |
22 |
98 |
64 |
M16 |
15 |
43 |
36.5 |
36.5 |
Wiring Diagram

Tips: How to choose between dingle-ended beam load cells and double-ended beam load cells?
In industrial weighing applications, the choice between a single-ended beam load cell and a double-ended beam load cell mainly depends on capacity requirements, installation structure, and long-term operating conditions. Single-ended beam load cells are commonly used in platform scales, hopper weighing systems, and medium-capacity applications because they feature a compact structure, easier installation, and a strong balance between accuracy, flexibility, and cost efficiency, making them suitable for a wide range of standard industrial setups. In contrast, double-ended beam load cells are designed for heavy-duty and high-capacity applications such as large silos, truck scales, and bulk material weighing systems, where the structure must handle higher loads with superior stability and reduced deflection over long spans. The key difference lies in that single-ended beam load cells are optimized for versatility and modular system integration, while double-ended beam load cells are built for maximum load-bearing strength and structural stability under extreme conditions. Therefore, you should choose based on whether your priority is flexible medium-range weighing or robust high-capacity performance.