DC Reversing Contactor for DC Motor Control
DC reversing contactor is a switching appliance suitable for remote manipulation (closing, opening or switching) of high-power electrical appliances. The contactor is used in electric vehicles, and the coil consumes a large amount of power, which is generally used for intermittent duty. DC contactors are mainly used for making and breaking DC circuits at a long distance and frequently starting, stopping, reversing and reversing braking DC motors, and also for frequently connecting and disconnecting lifting electromagnets, solenoid valves, clutches electromagnetic coils, etc. Generally, DC contactors have two types of structures, including three-dimensional arrangement and plane arrangement, and some products are derived from AC contactors.
How to control DC motor with DC reversing contactor?
Preparation tools: Switching power supply, ATO DC reversing contactor, 24V DC motor, switch, copper terminal block and silicone sleeve, auxiliary tools.

Step 1:
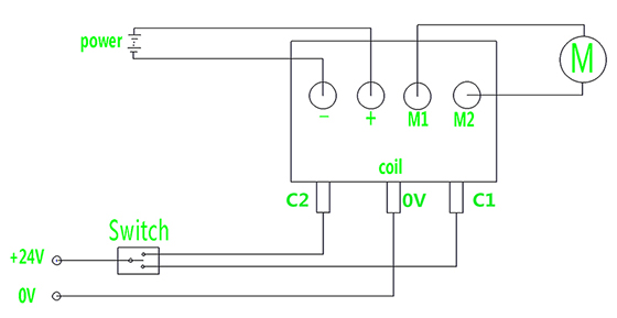
- Connect all the wires according to the wiring diagram.
- The toggle switch is connected to C1 and C2 at different times, and the two coils inside the contactor are sucked together at different times to make the motor conversion between forward and reverse. Connect the positive and negative terminals of the DC motor power supply to the positive and negative terminals of the DC contactor main contact. Connect the motor lines M1 and M2 to the corresponding contacts of the contactor.

- Wiring completed.

Step 2:
- Turn on the power, toggle the switch, and the motor rotates counterclockwise. Toggle the switch in the other direction, the motor rotates clockwise.
- The DC motor has been successfully commutated.

You can watch video below to know more details about DC reversing contactor for DC motor forward and reverse control.

