What are the Applications of Rectifier?
A rectifier is a device that converts alternating current into direct current, which can be used for power supply devices and detecting radio signals. It has two main functions. First, to convert alternating current (AC) into direct current (DC), which is filtered and supplied to the load or inverter. Secondly, provide charging voltage to the battery. Therefore, it also serves as a charger. Almost all electronic devices use rectifiers internally in their power supply. In power supplies, rectifiers are usually connected in series after transformers, smoothing filters, and possibly voltage regulators. Below, ATO Automation will discuss some applications of rectifiers.
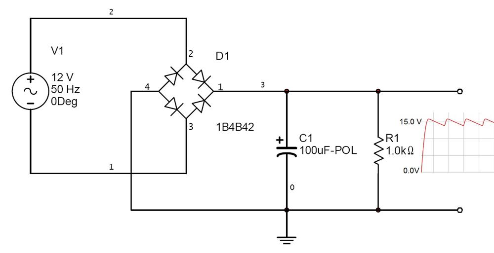
To Use in Circuits
Due to the fact that all electronic devices require direct current, but the power supply of power companies is alternating current, rectifiers are indispensable inside the power supply of all electronic devices unless batteries are used. Bridge rectifiers are widely used for large appliances, which can convert high AC voltage to low DC voltage.

- Converting alternating current (AC) to direct current (DC): Rectifiers can convert AC power in the grid into DC power required by electronic devices, which is crucial for electronic devices that require stable DC voltage, such as battery chargers, LED lights, etc. These devices require stable voltage to function properly, and rectifiers can provide this conversion.
- Provide charging voltage to the battery: The rectifier not only converts AC power into DC power to supply the load or inverter, but also provides charging voltage to the battery, thus acting as a charger. This is particularly important in backup uninterruptible power supply systems (UPS), especially in dual conversion UPS where the rectifier provides power to both the inverter and the battery.
- Conversion of AC power grid to DC transmission system in power system: In power system, rectifiers can convert AC power to DC power, facilitating power transmission and distribution. This conversion is of great significance for the stable operation and efficient transmission of the power system.
- Applications in communication and RF engineering: Rectifiers can also be used in communication and RF engineering to generate the required RF signals. By converting AC power into DC voltage, it meets the needs of communication and RF systems.
To Mediate Signals
The signal may undergo amplification (amplifying the amplitude of the signal) before detection. If it is not amplified, a very low voltage drop diode must be used. When using a capacitor coupled rectifier for demodulation, it is necessary to carefully match capacitors and load resistors. Capacitor-coupled rectifier includes capacitors to filter and smooth the rectified output, thereby reducing ripple and generating a more stable DC voltage. This type of rectifier is commonly used in power supplies to improve the quality of DC output and ensure stable and reliable power supply for electronic devices.

To Use with Transformers
The main function of using a rectifier in conjunction with a transformer is to convert alternating current into direct current and adjust the voltage through the transformer to meet the specific needs of the equipment. Specifically, the working principle of the combination of transformer and rectifier is as follows: the transformer first reduces the high-voltage AC power to a suitable voltage range, and then the rectifier converts the reduced AC power into DC power. This combination is very common in many applications, such as in motorcycles and cars, where transformers and rectifiers are used to charge and power batteries.

In practical applications, the combination of transformers and rectifiers is widely used in various devices that require DC power supply. For example, in motorcycles, transformers and rectifiers are used to convert alternating current into direct current, charge batteries, and provide power to the headlights and other electrical appliances. In addition, this combination is also applied to large and medium-sized aircraft, converting AC power into low-voltage DC power suitable for batteries.
To Provide Fixed Polarity Voltage
During the welding process, the output current of this circuit needs to be controlled, and the rectifier device is used to provide a fixed polarity voltage. At this time, a thyristor (a type of crystal box tube) is used to replace the diode of the bridge rectifier and other voltage outputs are adjusted by phase control triggering. This is because a fixed polarity voltage is required during welding to ensure the stability of the arc and welding quality. The rectification device ensures the stability of the voltage during the welding process by controlling the direction of the current, thereby ensuring the welding effect and safety.

Rectifiers are essential in various applications, such as power adapters, battery chargers, and power systems, which provide stable DC power to electronic devices and electrical systems. At the ATO store, we offer products such as Single Phase Dior Bridge Rectifiers, High Power Single Phase Bridge Rectifiers, Three Phase Dior Bridge Rectifiers, and High Power Three Phase Bridge Rectifiers. If you have any needs or questions, ATO is happy to provide you with services.

